图形预览
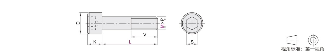
内六角圆柱头螺钉 标准型 40CrMoV材质 强度等级14.9 发黑 全牙/半牙 粗牙
型号筛选
可选加工(可选)
未生成型号,还有 2 项未选择
重置
代码
无数据
产品选型
代码
无数据
公称直径M(mm)
无数据
长度L(mm)
无数据
价格生成中...
未税折扣单价:-- --
含税折扣单价:----
未税折扣单价:-- --
含税折扣单价:----
含税总价(税率13%):¥--
购买数量(PCS):
起订量:1PCS
, 加量幅度:1PCS
登录后可查看价格、加入购物车、一键购买
立即登录
价格生成中...
技术图档
全部型号
3D预览
技术图档
产品问答
材质图
参数图
| 代码 | 类型 | 螺纹 | 材质 | 表面处理 | 强度等级 | |
| TAC48 | 标准型 | 全牙/半牙 | 粗牙 | 40CrMoV | 发黑 | 14.9 |

适用标准:DIN 912-1983、GB/T 70.1-2000
选型表
产品问答
关于此产品的常见问题
1、不锈钢材质的螺钉为什么有磁性?
材料在冷加工过程中,由于应力原因改变了部分奥氏体组织特性,变成马氏体及铁素体,随变形量的加大而磁性增大,故产品会有弱磁性,且随产品变形量大小表现出不同的磁性。
2、不锈钢材质的螺钉最高使用温度是多少?
依据GB/T 3098.6-2014标准规定,不锈钢304以及316产品在100℃以内不影响抗拉,但超过100℃后,每升高100℃,抗拉强度降低5%,超过400℃后不建议使用。
3、如何避免螺钉生锈?
如对防锈有要求,请优先选择SUS304材质,或者选择表面经过镀锌,镀镍(盐雾至少24H),镀达克罗,镀黑色达克罗(盐雾至少400H),镀铬,不锈钢发黑的产品。
碳钢发黑处理的产品,需定期涂抹防锈油进行维护,以此延长防锈时间。
4、目前销售的螺钉的材质和等级主要有哪些?
材质主要有不锈钢,碳钢,树脂,铝合金,钛合金,陶瓷,哈氏合金等。
不锈钢强度等级主要有A2-70,A4-70,A4-80
碳钢强度等级主要有8.8级,10.9级,12.9级
1. 添加筛选条件,生成产品型号
客服
购物车
公众号
微信公众号
订单/资讯随手掌握
微信技术交流服务群
扫码添加进群
浏览记录
问题反馈
置顶
Copyright © 2010-2026 东莞怡合达自动化股份有限公司 版权所有 粤ICP备14032684号
营业执照: 91441900566614589Q