图形预览
标准型 4.5折波纹形真空吸盘组件 带缓冲型 直立配管弹簧型 内螺纹接管型
型号筛选
可选加工(可选)
未生成型号,还有 2 项未选择
重置
代码
无数据
产品选型
代码
无数据
d
无数据
缓冲行程
无数据
价格生成中...
未税折扣单价:-- --
含税折扣单价:----
未税折扣单价:-- --
含税折扣单价:----
含税总价(税率13%):¥--
购买数量(套):
起订量:1套
, 加量幅度:1套
登录后可查看价格、加入购物车、一键购买
立即登录
价格生成中...
技术图档
全部型号
3D预览
技术图档
产品简介
材质图
参数图
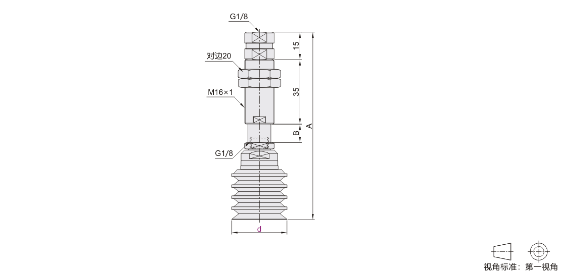
| 代码 | 类型 | 安装连接方式 | 接管方式 | 吸盘类型 |
| WEN20 | 带缓冲型 | 直立配管弹簧型 | 内螺纹接管型 | WEA20 |

选型表
| 型号 |
缓冲行程 |
配管尺寸 |
支架安装螺纹 |
|
| 代码 | 盘径d | |||
| WEN20 |
20 | 10 20 |
G1/8内螺纹 |
M16×1 |
| 30 | ||||
| 40 | ||||
| 50 | ||||
| 盘径 | 缓冲行程 | A | B |
| 20 | 10 | 88.5 | 10 |
| 20 | 98.5 | 20 | |
| 30 | 10 | 97.5 | 10 |
| 20 | 107.5 | 20 | |
| 40 | 10 | 110.5 | 10 |
| 20 | 120.5 | 20 | |
| 50 | 10 | 120.5 | 10 |
| 20 | 130.5 | 20 |
产品简介
1. 添加筛选条件,生成产品型号
客服
购物车
公众号
微信公众号
订单/资讯随手掌握
微信技术交流服务群
扫码添加进群
浏览记录
问题反馈
置顶
Copyright © 2010-2026 东莞怡合达自动化股份有限公司 版权所有 粤ICP备14032684号
营业执照: 91441900566614589Q