图片仅供参考,请以已选的规格为准
回转支撑轴承 外齿型
品牌名称:
怡合达
条件筛选:
参数筛选:
D(外径)
无数据
d(内径)
无数据
产品代码:
有 7 个备选型号
无数据
产品型号:
未税折扣单价: -- --
含税折扣单价: ----
含税总价 (税率13%): ¥--
预计发货天数:-- 天 (发货天数以下单次日起算,不含周日与法定假日)
购买数量():
起订量:0
, 加量幅度:0
登录后可查看价格、加入购物车、一键购买
立即登录
价格生成中...
登录后可查看价格、加入购物车、一键购买
立即登录
代码的技术资料信息曾有所变更,可前往 型号勘误表 查看变更记录
相似商品
同类人气商品
技术图档
全部型号
3D预览
技术图档
产品简介
产品问答
材质图
参数图
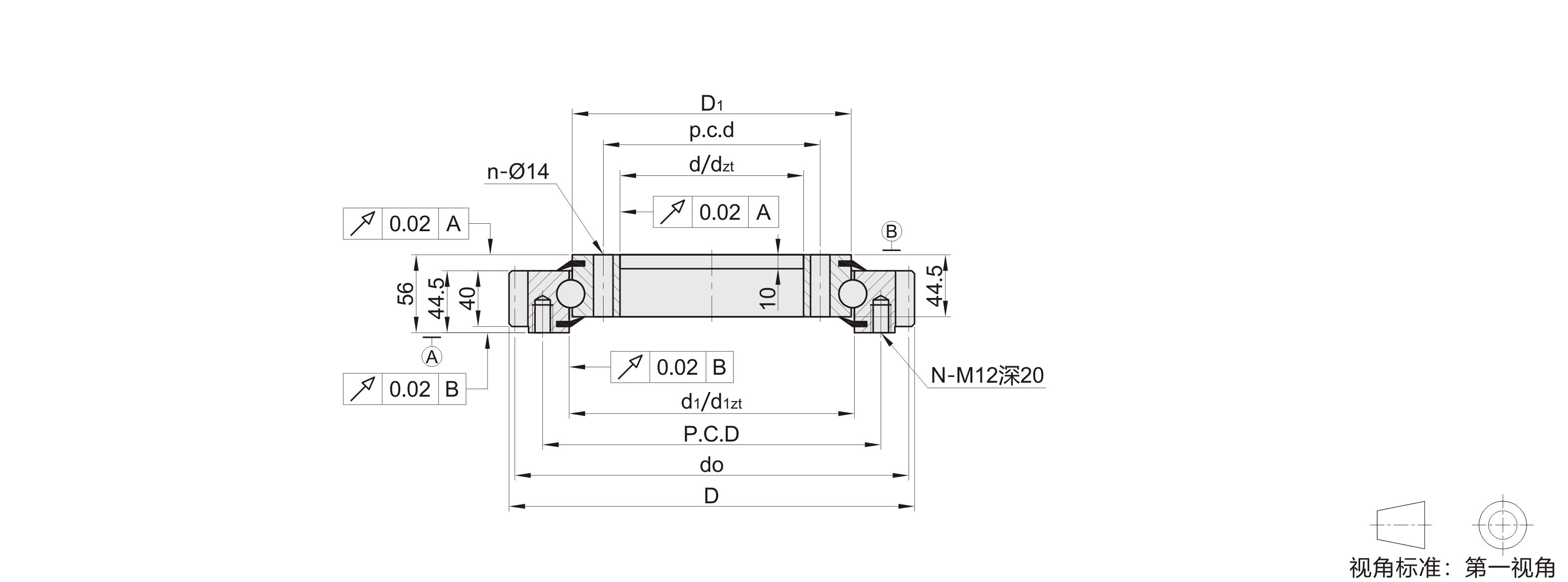
| 代码 | 类型 | 轴承精度 | 轴承材质 | 型号解析 |
| BEA | 外齿型 |
P5 | SUJ2 | V:四点接触球 A:外齿型 |

选型表
| 型号 |
基本尺寸 |
齿轮参数 | 安装尺寸 | 基本额定负载(KN) | 游隙(mm) | ||||||||||||||||||
| 代码 | 轴承型号 | 外径 D |
内径 d |
内圈 止口 dzt |
外圈内径 d1 |
外圈内径 止口 d1zt |
内圈 外径 D1 |
分度圆 do |
模数 M |
齿数 | 外圈 | 内圈 | 轴向 | 径向 | 径向 | 轴向 | |||||||
| P.C.D | 安装孔 数量N |
p.c.d | 安装孔 数量n |
Ca | Coa | Cr | Cor | ||||||||||||||||
| BEA | VSA200414 | 503.3 | 342 | +0.5 0 |
344 | 415.5 | +0.5 0 |
417 | 412.5 | +0.5 0 |
495 | 5 | 99 | 455 | 20 | 368 | 24 | 169 | 560 | 111 | 248 | 0~0.05 | 0~0.08 |
| VSA200544 | 640.3 | 472 | +0.5 0 |
474 | 545.5 | +0.5 0 |
547 | 542.5 | +0.5 0 |
630 | 6 | 105 | 585 | 28 | 498 | 32 | 188 | 740 | 123 | 325 | |||
| VSA200644 | 742.3 | 572 | +0.6 0 |
574 | 645.5 | +0.6 0 |
647 | 642.5 | +0.6 0 |
732 | 122 | 685 | 32 | 598 | 36 | 200 | 880 | 131 | 385 | ||||
| VSA200744 | 838.1 | 672 | +0.6 0 |
674 | 745.5 | +0.6 0 |
747 | 742.5 | +0.6 0 |
828 | 138 | 785 | 36 | 698 | 40 | 211 | 1010 | 138 | 445 | ||||
| VSA200844 | 950.1 | 772 | +0.6 0 |
774 | 845.5 | +0.6 0 |
847 | 842.5 | +0.6 0 |
936 | 8 | 117 | 885 | 36 | 798 | 40 | 222 | 1150 | 145 | 510 | |||
| VSA200944 | 1046.1 | 872 | +0.7 0 |
874 | 945.5 | +0.7 0 |
947 | 942.5 | +0.7 0 |
1032 | 129 | 985 | 40 | 898 | 44 | 231 | 1280 | 151 | 570 | ||||
| VSA201094 | 1198.1 | 1022 | +0.7 0 |
1024 | 1095.5 | +0.7 0 |
1097 | 1092.5 | +0.7 0 |
1184 | 148 | 1135 | 44 | 1048 | 48 | 244 | 1490 | 160 | 660 | ||||
产品概述
代号含义
产品特点
产品使用注意事项
产品安装指引
应用案例

精密转盘轴承是一种能够同时承受较大的轴向负荷、径向负荷和倾覆力矩等综合载荷的特殊结构的中大型轴承。
一般情况下,轴承自身带有安装孔、润滑油孔和密封装置,可以满足不同工况条件的需求。
BEA - VSA 20 0544
① ② ③ ④
①内部代号:产品类型代号,BEA表示回转支撑轴承外齿型,BNA表示内齿型
②产品类型代号:区分不同产品系列,具体可查询产品表内容;
③前两位数字:标准滚动体直径;
④后四位数字:产品节圆直径。
回转支撑轴承依照滚动体结构,分为交叉滚子转盘轴承(未上型,可定制)与四点接触球转盘轴承两个系列,
依照齿轮形式,可分不带齿圈、带内齿和带外齿三个类型,可以安装密封、小范围调整游隙力矩大小、定制精度等,以适配各种工况需求。

内齿型BNA 外齿型BEA
1.润滑
(1)轴承出厂时滚道内已经注有足量的优质锂基润滑脂(GB/T 7324-2010),回转支承轴承的润滑应该定期维护,
球类轴承一般100小时加一次油,滚柱类轴承每50小时加一次油。特殊环境(例如热带、灰尘多、温差大等)以及连续运转工况,需缩短润滑周期;
(2)客户应综合工作因素选择最合适的润滑脂,常规环境下可采购Shell Alvania EP(LP)2等轴承专用油脂;
(3)齿轮啮合面也为润滑考虑部分,应经常清楚齿面杂物,并加以润滑。
2. 使用温度
受润滑脂和密封材料的限制,带密封工作温度-20°C到+80°C,连续使用建议60℃以下;开放式工作温度-20°C到+120°C,连续使用建议100℃以下。
注意:高于以上推荐使用温度,请向我司咨询。
3.储存
回转支承轴承外表面涂有防锈油,其防锈期一般为六个月,对于超过六个月贮存期的产品应重新进行防锈包装或采取其它贮存措施。
1. 安装示意图
(1)安装配合支架一般采用筒形结构,筒壁与轴承滚道中心对齐为好。

2.安转螺栓
(1)螺栓拧紧方式按主机涉及规定,应保证一定的预紧力,除非特殊规定,一般预紧力应为螺栓屈服极限的0.7 倍。
拧紧时允许在螺纹处少许涂油。预紧扭矩或预紧力见表。
| 螺栓规格 (GB/T5782-2016 GB/T5783-2016) |
安装孔直径(mm) | 螺栓强度等级(GB/T3098.1-2010) | |
| 8.8 | 10.9 | ||
| 螺栓材料的屈服强度极限σsmin(N/mm2) | |||
| 640 | 900 | ||
| 预紧力矩MA(Nm) | |||
| M10 | 11 | 44 | 62 |
| M12 | 13.5 | 77.5 | 110 |
| M14 | 15.5 | 120 | 170 |
| M16 | 18 | 190 | 265 |
| M18 | 20 | 260 | 365 |
| M20 | 22 | 370 | 520 |
| M22 | 24 | 500 | 700 |
| M24 | 26 | 640 | 900 |
| M27 | 30 | 950 | 1350 |
| M30 | 33 | 1300 | 1800 |
| 预紧力FA(10^3N) | |||
| M33 | 36 | 293 | 412 |
| M36 | 39 | 344 | 484 |
| M39 | 42 | 414 | 581 |
| M42 | 45 | 473 | 665 |
| M45 | 48 | 553 | 777 |
| M48 | 52 | 623 | 876 |
| M52 | 56 | 749 | 1054 |
| M56 | 62 | 863 | 1214 |
| M60 | 66 | 1008 | 1418 |
| 备注:当螺栓尺寸不符合以上国标规定时,取值需另行计算; 螺栓头部与被夹紧面之间的总摩擦系数u=0.14,螺纹少于轻油润滑。 |
|||
(2)拧紧螺栓应在180°方向对称的连续进行,最后通过一遍,保证圆周上的螺栓有相同的预紧力。

(3)回转支承首次运转100 小时后,应检查螺栓的预紧力,以后每运转500 小时检查一次,必须保持足够的预紧力。
3.安装注意事项
(1)保持安装和使用环境干燥、整洁:
随动器是精密的机械元件,在安装前和安装过程需留意避免灰尘、污染物和潮气入侵。污染物会损害轴承的运行性能和工作寿命。
不要过度冷却轴承,冷凝产生的湿气会导致轴承和轴承座发生锈蚀。安装区域必须保持清洁和没有灰尘。安装时不要直接接触产品,避免汗液、水分附着轴承表面,造成锈蚀。
后期使用需要定期维护保养。由于无表面处理,选用轴承钢时,轴承表面易生锈。
(2)正确使用安装工具:
感应加热器:注意加热温度不能超过润滑脂或密封的使用温度。
加热柜:一般加热到+80℃。机械或液压装置:使用覆盖轴承套圈端面整个圆周的安装套。
榔头和安装套:敲击应作用与安装套整个环面。
禁止安装力通过滚动体传递。必须避免直接敲击轴承内外圈。确保安装过程中不会破坏密封。
例:公差使用过盈配合时,采用压装设备将轴承压在轴上,安装内圈时,应注意压装力均匀分布在内圈的端面上。
回转支撑轴承是一种能够同时承受较大的轴向负荷、径向负荷和倾覆力矩等综合载荷的中大型轴承。
具有结构紧凑、引导旋转方便、安装简便和维护容易等特点,广泛应用于精密磨床、激光卡盘、医疗设备、回转台和复盘、雷达等装置,应用十分广泛。
产品问答
关于此产品的常见问题
1.轴承钢材质的轴承为什么容易生锈?
回答:轴承钢材质的轴承在包装前我们都会有一道使用防锈油清洗的工序,确保轴承表面包裹一层油膜,保证产品储存和运输过程中的防锈效果。
但是这类油膜只能保证产品的静态防锈,不能保证产品安装使用过程中的防锈效果,因为产品安装和设备运转中,这层油膜很容易会因为各种原因就被擦拭或破坏掉,甚至我们光手接触,也会因为手汗而产生锈蚀。
一般这类轴承使用环境都要求处于干燥环境或者经常有防锈油润湿。建议是定时使用防锈油浸润的湿布对轴承进行擦拭,维护产品表面油膜,禁止光手接触,或者选用不锈钢轴承。
2.轴承使用过程中发热严重是什么原因?
回答:a:润滑不良:未添加润滑脂或润滑脂不足
解决方法:选择适配润滑脂,填充量控制在轴承沟道的1/3~1/2
b:装配不当:轴孔配合过紧,预紧力过大
解决方法:调整合适的配合公差,预紧力需保证游隙在0.1mm左右
1. 添加筛选条件,生成产品型号
客服
购物车
公众号
微信公众号
订单/资讯随手掌握
微信技术交流服务群
扫码添加进群
浏览记录
问题反馈
置顶
Copyright © 2010-2026 东莞怡合达自动化股份有限公司 版权所有 粤ICP备14032684号
营业执照: 91441900566614589Q