计算选型
图片仅供参考,请以已选的规格为准
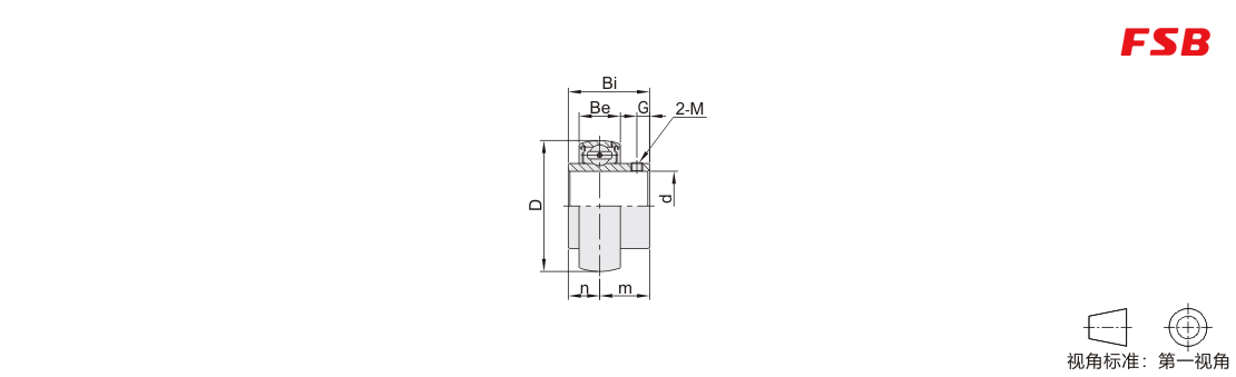
FSB(福山) 带座轴承 机加型 标准型 带顶丝外球面球轴承
品牌名称:
FSB
条件筛选:
产品代码:
有 38 个备选型号
无数据
产品型号:
未税折扣单价: -- --
含税折扣单价: ----
含税总价 (税率13%): ¥--
预计发货天数:-- 天 (发货天数以下单次日起算,不含周日与法定假日)
购买数量():
起订量:0
, 加量幅度:0
登录后可查看价格、加入购物车、一键购买
立即登录
价格生成中...
登录后可查看价格、加入购物车、一键购买
立即登录
代码的技术资料信息曾有所变更,可前往 型号勘误表 查看变更记录
相似商品
同类人气商品
计算选型
技术图档
全部型号
3D预览
技术图档
产品简介
材质图
参数图
| 代码 | 类型 |
材质 | |
| 轴承座 | 轴承 | ||
| UC...-FSB | 带顶丝外球面球轴承 | HT200灰铸铁 | GCr15 |
轴承宽内圈的一端装有成120°角的两个紧定螺钉。

选型表
| 型号 |
d |
D |
Bi |
Be |
n |
m |
G |
M |
基本额定载荷(N) |
重量(kg) |
|
| Cr(动) | Cor(静) | ||||||||||
| UC201-FSB | 12 | 47 | 31 | 17 | 12.7 | 18.3 | 4.5 | M6×1.0 | 12800 | 6650 | 0.21 |
| UC202-FSB | 15 | 0.19 | |||||||||
| UC203-FSB | 17 | 0.18 | |||||||||
| UC204-FSB | 20 | 0.16 | |||||||||
| UC205-FSB | 25 | 52 | 34 | 14.3 | 19.7 | 5.4 | 14000 | 7880 | 0.20 | ||
| UC206-FSB | 30 | 62 | 38.1 | 19 | 15.9 | 22.2 | 5.5 | 19500 | 11200 | 0.32 | |
| UC207-FSB | 35 | 72 | 42.9 | 20 | 17.5 | 25.4 | 6.5 | M8×1.0 | 25700 | 15200 | 0.46 |
| UC208-FSB | 40 | 80 | 49.2 | 21 | 19 | 30.2 | 8 | 29600 | 18200 | 0.62 | |
| UC209-FSB | 45 | 85 | 22 | 31850 | 20800 | 0.68 | |||||
| UC210-FSB | 50 | 90 | 51.6 | 24 | 32.6 | 10 | M10×1.0 | 35100 | 23200 | 0.79 | |
| UC211-FSB | 55 | 100 | 55.6 | 25 | 22.2 | 33.4 | 43550 | 29200 | 1.01 | ||
| UC212-FSB | 60 | 110 | 65.1 | 27 | 25.4 | 39.7 | 47800 | 32800 | 1.45 | ||
| UC213-FSB | 65 | 120 | 28 | 57200 | 40000 | 1.80 | |||||
| UC214-FSB | 70 | 125 | 74.6 | 30 | 30.2 | 44.4 | 12 | M12×1.5 | 60800 | 45000 | 1.99 |
| UC215-FSB | 75 | 130 | 77.8 | 33.3 | 44.5 | 66000 | 49500 | 2.19 | |||
| UC216-FSB | 80 | 140 | 82.6 | 33 | 49.3 | 14 | 71500 | 54200 | 2.72 | ||
| UC217-FSB | 85 | 150 | 85.7 | 35 | 34.1 | 51.6 | 83200 | 63800 | 3.45 | ||
| UC218-FSB | 90 | 160 | 96 | 37 | 39.7 | 56.3 | 95900 | 71500 | 4.35 | ||
| UC305-FSB | 25 | 62 | 38 | 22 | 15 | 23 | 6 | M6×1.0 | 22360 | 11500 | 0.45 |
| UC306-FSB | 30 | 72 | 43 | 24 | 17 | 26 | 27000 | 15200 | 0.56 | ||
| UC307-FSB | 35 | 80 | 48 | 26 | 19 | 29 | 8 | M8×1.0 | 33500 | 19200 | 0.71 |
| UC308-FSB | 40 | 90 | 52 | 28 | 33 | 10 | M10×1.25 | 40560 | 24000 | 1.00 | |
| UC309-FSB | 45 | 100 | 57 | 30 | 22 | 35 | 53000 | 31800 | 1.33 | ||
| UC310-FSB | 50 | 110 | 61 | 32 | 39 | 12 | M12×1.5 | 61750 | 37800 | 1.72 | |
| UC311-FSB | 55 | 120 | 66 | 34 | 25 | 41 | 71500 | 44800 | 1.90 | ||
| UC312-FSB | 60 | 130 | 71 | 36 | 26 | 45 | 81600 | 51800 | 2.60 | ||
| UC313-FSB | 65 | 140 | 75 | 38 | 30 | 93860 | 60500 | 3.16 | |||
| UC314-FSB | 70 | 150 | 78 | 40 | 33 | 104260 | 68000 | 3.90 | |||
| UC315-FSB | 75 | 160 | 82 | 42 | 32 | 50 | 14 | M14×1.5 | 113360 | 76800 | 4.70 |
| UC316-FSB | 80 | 170 | 86 | 44 | 34 | 52 | 122850 | 86500 | 5.60 | ||
| UC317-FSB | 85 | 180 | 96 | 46 | 40 | 56 | 16 | M16×1.5 | 132600 | 96500 | 6.90 |
| UC318-FSB | 90 | 190 | 48 | 143000 | 108000 | 7.87 | |||||
| UC319-FSB | 95 | 200 | 103 | 50 | 41 | 62 | 156000 | 122000 | 8.91 | ||
| UC320-FSB | 100 | 215 | 108 | 54 | 42 | 66 | 18 | M18×1.5 | 171600 | 140000 | 11.20 |
| UC322-FSB | 110 | 240 | 117 | 60 | 46 | 71 | 158000 | 178000 | 15.10 | ||
| UC324-FSB | 120 | 260 | 126 | 64 | 51 | 75 | 175000 | 208000 | 19.00 | ||
| UC326-FSB | 130 | 280 | 135 | 68 | 54 | 81 | 20 | M20×1.5 | 195000 | 242000 | 23.60 |
| UC328-FSB | 140 | 300 | 145 | 72 | 59 | 86 | 212000 | 272000 | 29.40 | ||
产品简介
1. 添加筛选条件,生成产品型号
客服
购物车
公众号
微信公众号
订单/资讯随手掌握
微信技术交流服务群
扫码添加进群
浏览记录
问题反馈
置顶
Copyright © 2010-2026 东莞怡合达自动化股份有限公司 版权所有 粤ICP备14032684号
营业执照: 91441900566614589Q