计算选型
图片仅供参考,请以已选的规格为准
TR 带座轴承 机加型 标准型 带顶丝外球面球轴承
品牌名称:
TR
条件筛选:
产品代码:
有 42 个备选型号
登录后可查看价格、加入购物车、一键购买
立即登录
计算选型
技术图档
全部型号
3D预览
产品简介
材质图
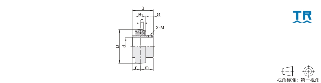
参数图
| 代码 | 类型 | 材质 |
| UC...-TR | 带顶丝外球面球轴承 | GCr15 |
轴承宽内圈的一端装有成120°角的两个紧定螺钉。

选型表
| 型号 | d |
D |
B |
B1 |
n |
m |
G |
C |
M |
基本额定载荷(N) |
重量(kg) |
|
| Cr(动) | Cor(静) | |||||||||||
| UC201S-TR | 12 | 40 | 27.4 | 14 | 11.5 | 15.9 | 4.2 | 3.5 | M5×0.8 | 9550 | 4780 | 0.12 |
| UC202S-TR | 15 | 0.11 | ||||||||||
| UC203S-TR | 17 | 0.10 | ||||||||||
| UC201-TR | 12 | 47 | 31 | 16 | 12.7 | 18.3 | 4.7 | 4.4 | M6×1.0 | 12800 | 6650 | 0.21 |
| UC202-TR | 15 | 0.19 | ||||||||||
| UC203-TR | 17 | 0.18 | ||||||||||
| UC204-TR | 20 | 0.16 | ||||||||||
| UC205-TR | 25 | 52 | 34 | 17 | 14.3 | 19.7 | 5.5 | 4.3 | 14000 | 7880 | 0.20 | |
| UC206-TR | 30 | 62 | 38.1 | 19 | 15.9 | 22.2 | 5 | 19500 | 11200 | 0.31 | ||
| UC207-TR | 35 | 72 | 42.9 | 20 | 17.5 | 25.4 | 6.5 | 5.8 | M8×1.0 | 25700 | 15200 | 0.48 |
| UC208-TR | 40 | 80 | 49.2 | 21 | 19 | 30.2 | 8 | 6.3 | 29600 | 18200 | 0.63 | |
| UC209-TR | 45 | 85 | 22 | 6.8 | 31850 | 20800 | 0.68 | |||||
| UC210-TR | 50 | 90 | 51.6 | 23 | 32.6 | 9 | 6.5 | M10×1.25 | 35100 | 23200 | 0.75 | |
| UC211-TR | 55 | 100 | 55.6 | 25 | 22.2 | 33.4 | 7.2 | 43550 | 29200 | 1.04 | ||
| UC212-TR | 60 | 110 | 65.1 | 27 | 25.4 | 39.7 | 10.5 | 8.2 | 47800 | 32800 | 1.41 | |
| UC213-TR | 65 | 120 | 28 | 12 | 8 | 57200 | 40000 | 1.76 | ||||
| UC214-TR | 70 | 125 | 74.6 | 30 | 30.2 | 44.4 | 9 | 60800 | 45000 | 2.00 | ||
| UC215-TR | 75 | 130 | 77.8 | 33.3 | 44.5 | 66000 | 49500 | 2.20 | ||||
| UC216-TR | 80 | 140 | 82.6 | 33 | 49.3 | 14 | 10.3 | 71500 | 54200 | 2.73 | ||
| UC217-TR | 85 | 150 | 85.7 | 35 | 34.1 | 51.6 | 11 | 83200 | 63800 | 3.39 | ||
| UC218-TR | 90 | 160 | 96 | 37 | 39.7 | 56.3 | 12 | 95900 | 71500 | 4.11 | ||
| UC220-TR | 100 | 180 | 108 | 40 | 42 | 66 | 16 | 12.1 | M16×1.5 | 122000 | 92800 | 6.11 |
| UC305-TR | 25 | 62 | 38 | 21 | 15 | 23 | 6 | 6.2 | M6×1.0 | 22360 | 11500 | 0.34 |
| UC306-TR | 30 | 72 | 43 | 24 | 17 | 26 | 6.5 | 27000 | 15200 | 0.54 | ||
| UC307-TR | 35 | 80 | 48 | 25 | 19 | 29 | 8 | 7.2 | M8×1.0 | 33500 | 19200 | 0.67 |
| UC308-TR | 40 | 90 | 52 | 28 | 33 | 10 | 8.5 | M10×1.25 | 40560 | 24000 | 0.98 | |
| UC309-TR | 45 | 100 | 57 | 30 | 22 | 35 | 9 | 53000 | 31800 | 1.24 | ||
| UC310-TR | 50 | 110 | 61 | 32 | 39 | 12 | 9.9 | M12×1.25 | 61750 | 37800 | 1.62 | |
| UC311-TR | 55 | 120 | 66 | 34 | 25 | 41 | 10.6 | 71500 | 44800 | 2.05 | ||
| UC312-TR | 60 | 130 | 71 | 36 | 26 | 45 | 11.3 | 81600 | 51800 | 2.54 | ||
| UC313-TR | 65 | 140 | 75 | 38 | 30 | 12.1 | 93860 | 60500 | 3.07 | |||
| UC314-TR | 70 | 150 | 78 | 40 | 31 | 47 | 12.8 | 104260 | 68000 | 3.74 | ||
| UC315-TR | 75 | 160 | 82 | 42 | 32 | 50 | 14 | 13.5 | M14×1.5 | 113360 | 76800 | 4.45 |
| UC316-TR | 80 | 170 | 86 | 44 | 34 | 52 | 14.5 | 122850 | 86500 | 5.33 | ||
| UC317-TR | 85 | 180 | 96 | 46 | 40 | 56 | 16 | 15.5 | M16×1.5 | 132600 | 96500 | 6.42 |
| UC318-TR | 90 | 190 | 48 | 16.5 | 143000 | 108000 | 7.20 | |||||
| UC319-TR | 95 | 200 | 103 | 50 | 41 | 62 | 18 | 16.7 | 156000 | 122000 | 8.70 | |
| UC320-TR | 100 | 215 | 108 | 54 | 42 | 66 | 19 | M18×1.5 | 171600 | 140000 | 10.50 | |
| UC322-TR | 110 | 240 | 117 | 60 | 46 | 71 | 21 | 158000 | 178000 | 14.50 | ||
| UC324-TR | 120 | 260 | 126 | 64 | 51 | 75 | 22 | 175000 | 208000 | 18.50 | ||
| UC326-TR | 130 | 280 | 135 | 68 | 54 | 81 | 20 | 23 | M20×1.5 | 195000 | 242000 | 23.00 |
| UC328-TR | 140 | 300 | 145 | 72 | 59 | 86 | 25 | 212000 | 272000 | 28.20 | ||