图片仅供参考,请以已选的规格为准
怡合达自营 经济型DA系列超薄平台桌面型分割器 轴间距90
品牌名称:
怡合达
条件筛选:
参数筛选:
定位等份
无数据
产品代码:
有 4 个备选型号
无数据
产品型号:
未税折扣单价: -- --
含税折扣单价: ----
含税总价 (税率13%): ¥--
预计发货天数:-- 天 (发货天数以下单次日起算,不含周日与法定假日)
购买数量():
起订量:0
, 加量幅度:0
登录后可查看价格、加入购物车、一键购买
立即登录
价格生成中...
登录后可查看价格、加入购物车、一键购买
立即登录
代码的技术资料信息曾有所变更,可前往 型号勘误表 查看变更记录
相似商品
同类人气商品
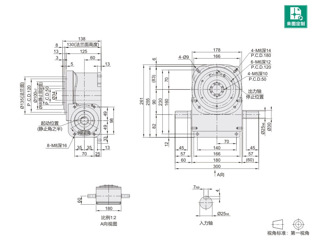
技术图档
全部型号
3D预览
技术图档
产品简介
材质图
参数图
| 代码 | 类型 | |
| RY90DA | DA系列超薄平台桌面型分割器 | 轴间距90 |
特点:
● DA系列机型设计特性,可安装旋转盘与静止盘。旋转盘驱动时可承受超大轴向负载及垂直径向
压力,输出端面凸起的可安装静止盘。大孔径空心轴,可配合设置动态、静态自动化借口设备,
可将电、油、气管路置于空心之内,此机型广泛用于重负载、多工艺、复合型产品的装配及各类
产业机器,外形设计越薄适合在紧凑空间里安装,节省设备安装空间。

选型表
| 型号 | 定位等份 | 驱动角度 (deg) |
入力轴 (mm) |
静扭力TS Kgf-m |
动扭力(Kgf-m) 分割回转速N(rpm) | 摩擦扭力TX Kgf-m |
||||||||||||||||||||||||||||||||||||||||||||
| 50 | 100 | 150 | 200 | 300 | 400 | 500 | ||||||||||||||||||||||||||||||||||||||||||||
| RY90DA042702RS3W1 | 4 | 270 | 25 | 28.20 | 19.10 | 15.50 | 13.80 | 12.60 | 11.80 | 11.20 | 10.30 | 0.70 | ||||||||||||||||||||||||||||||||||||||
| RY90DA062702RS3W1 | 6 | 54.60 | 36.40 | 29.60 | 26.20 | 24.00 | 22.50 | 21.30 | 19.50 | 0.80 | ||||||||||||||||||||||||||||||||||||||||
| RY90DA082702RS3W1 | 8 | 59.60 | 44.40 | 36.10 | 32.00 | 29.30 | 27.40 | 26.00 | 23.80 | 0.80 | ||||||||||||||||||||||||||||||||||||||||
| RY90DA122702RS3W1 | 12 | 39.40 | 30.00 | 24.30 | 21.30 | 19.80 | 18.50 | 17.50 | 16.10 | 0.60 | ||||||||||||||||||||||||||||||||||||||||
可提供分割器带电机组合件,目录以外定位等份、驱动角度可定制,如果需要请线下询价。
产品简介
1. 添加筛选条件,生成产品型号
客服
购物车
公众号
微信公众号
订单/资讯随手掌握
微信技术交流服务群
扫码添加进群
浏览记录
问题反馈
置顶
Copyright © 2010-2026 东莞怡合达自动化股份有限公司 版权所有 粤ICP备14032684号
营业执照: 91441900566614589Q