图片仅供参考,请以已选的规格为准
海康 工业面阵相机 CE系列 经济型 GigE接口 常规型
品牌名称:
海康
条件筛选:
产品代码:
有 4 个备选型号
无数据
产品型号:
未税折扣单价: -- --
含税折扣单价: ----
含税总价 (税率13%): ¥--
预计发货天数:-- 天 (发货天数以下单次日起算,不含周日与法定假日)
购买数量():
起订量:0
, 加量幅度:0
登录后可查看价格、加入购物车、一键购买
立即登录
价格生成中...
登录后可查看价格、加入购物车、一键购买
立即登录
代码的技术资料信息曾有所变更,可前往 型号勘误表 查看变更记录
配件商品
同类人气商品
技术图档
全部型号
3D预览
技术图档
材质图
参数图
| 代码 | 类型 | 通讯接口 | |
| MV-CS | 海康工业面阵相机 | CS系列(超经济型) | GigE |
产品特点:
采用极高性价比Sensor,图像效果理想;
RollingShutter相机支持GlobalReset模式,可配合频闪LED光源取得运动环境下无拖影的图像;
千兆网接口,最大传输距离可到100m(无中继);
兼容GigEVisionV2.0协议及GenlCam标准,能与第三方软件平台无缝连接。
选型表
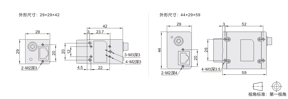
| 型号 | 像素(万) | 颜色模式 | 外形尺寸 | 芯片类型 | 芯片型号 | 芯片尺寸 | 像元尺寸 (μm) |
快门类型 | 分辨率 | 最大帧率 (fps) |
数字I/O 接头 |
| MV-CE013-50GM | 130 | 黑白 | 29×29×42 | CCD | RJ33 | 1/3" | 3.75 | Global | 1280×960 | 30 | 6芯 |
| MV-CE013-50GC | 彩色 | ||||||||||
| MV-CE050-31GC | 500 | 彩色 | CMOS | AR0521 | 1/2.5" | 2.2 | Rolling | 2592×1944 | 24 | ||
| MV-CE100-30GC | 1000 | 彩色 | MT9J003 | 1/2.3" | 1.67 | 3840×2748 | 7 |
相机为裸机,如需线材,请另行购买。
1. 添加筛选条件,生成产品型号
客服
购物车
公众号
微信公众号
订单/资讯随手掌握
微信技术交流服务群
扫码添加进群
浏览记录
问题反馈
置顶
Copyright © 2010-2026 东莞怡合达自动化股份有限公司 版权所有 粤ICP备14032684号
营业执照: 91441900566614589Q