图片仅供参考,请以已选的规格为准
谐波减速器用交叉滚子轴承 外圈整体 内圈整体
品牌名称:
怡合达
条件筛选:
参数筛选:
B(厚度)
无数据
D(外径)
无数据
d(内径)
无数据
产品代码:
有 8 个备选型号
无数据
产品型号:
未税折扣单价: -- --
含税折扣单价: ----
含税总价 (税率13%): ¥--
预计发货天数:-- 天 (发货天数以下单次日起算,不含周日与法定假日)
购买数量():
起订量:0
, 加量幅度:0
登录后可查看价格、加入购物车、一键购买
立即登录
价格生成中...
登录后可查看价格、加入购物车、一键购买
立即登录
代码的技术资料信息曾有所变更,可前往 型号勘误表 查看变更记录
相似商品
同类人气商品
技术图档
全部型号
3D预览
技术图档(二)
材质图
参数图
技术图档(二)
参数图
| 代码 | 类型 |
轴承精度 |
轴承材质 |
|
| 国标 | 相当 | |||
| BRC | 外圈整体 内圈整体 |
P5 | GCr15 | SUJ2 |

| 型号 | 外形尺寸 | 外圈安装孔 | 内圈安装孔 | 基本额定载荷 (KN) |
重量 (KG) (参考) |
||||||||||||||
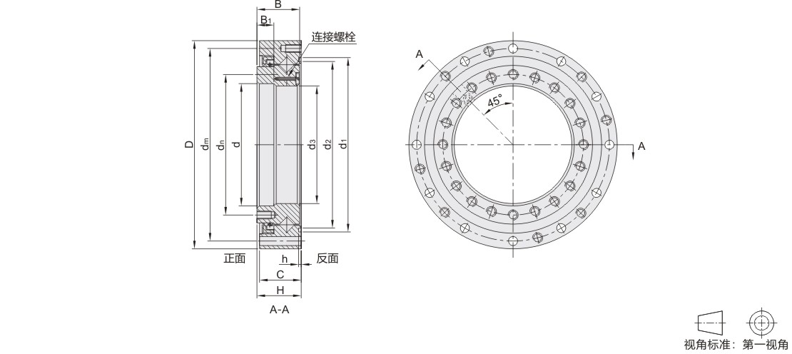
| 代码 | d | d1 | d2 | d3 | D | H | C | B | B1 | h | 中心径 dm |
安装孔尺寸1 (通孔) |
安装孔尺寸2 (密封反面) |
中心径 dn |
安装孔尺寸1 (密封正面) |
安装孔尺寸2 (密封反面) |
Cr(动) | Cor(静) | |
| BRC-SHG(SHF)-14 | 38 | 57 | 53 | 36 | 70 | 15.1 | 14.1 | 14.6 | 5 | 1.2 | 64 | 8-φ3.5 | 2-M3深8 | 44 | 12-M3深6 | 一 | 5.8 | 8.6 | 0.25 |
| BRC-SHG(SHF)-17 | 47 | 68.1 | 64.1 | 44.1 | 80 | 17 | 16 | 16.4 | 6.5 | 74 | 12-φ3.5 | 4-M3深8 | 54 | 20-M3深6 | 10.4 | 16.3 | 0.35 | ||
| BRC-SHG(SHF)-20 | 54 | 78 | 72.6 | 一 | 90 | 18.5 | 17.5 | 17.5 | 一 | 1.6 | 84 | 4-M3深6 | 62 | 16-M3深6 | 4-M3深6 | 14.6 | 22 | 0.5 | |
| BRC-SHG(SHF)-25 | 67 | 94.8 | 90 | 65 | 110 | 20.7 | 18.7 | 19.7 | 7.5 | 1.45 | 102 | 12-φ4.5 | 77 | 16-M4深8 | 21.8 | 35.8 | 0.8 | ||
| BRC-SHG(SHF)-32 | 88 | 123 | 117.6 | 84 | 142 | 24.4 | 23.4 | 23.4 | 8 | 1.6 | 132 | 12-φ5.5 | 4-M4深8 | 100 | 16-M5深8 | 4-M4深8 | 38.2 | 65.4 | 1.65 |
| BRC-SHG(SHF)-40 | 108 | 148 | 142.6 | 106 | 170 | 30 | 29 | 28.5 | 9.5 | 1.55 | 158 | 12-φ6.6 | 6-M4深9 | 122 | 16-M6深10 | 4-M5深10 | 43.3 | 81.6 | 2.8 |
| BRC-SHG(SHF)-45 | 120 | 170 | 164 | 118 | 190 | 33 | 32 | 34.5 | 10 | 180 | 18-φ6.6 | 6-M4深8 | 140 | 12-M8深10 | 4-M5深8 | 77.6 | 135 | 4.3 | |
| BRC-SHG(SHF)-50 | 135 | 188 | 182.6 | 129 | 214 | 36 | 34 | 一 | 1.6 | 200 | 12-φ9 | 6-M5深12 | 154 | 16-M8深12 | 8-M5深10 | 81.6 | 149 | 5 | |
1. 添加筛选条件,生成产品型号
客服
购物车
公众号
微信公众号
订单/资讯随手掌握
微信技术交流服务群
扫码添加进群
浏览记录
问题反馈
置顶
Copyright © 2010-2026 东莞怡合达自动化股份有限公司 版权所有 粤ICP备14032684号
营业执照: 91441900566614589Q