计算选型
图片仅供参考,请以已选的规格为准
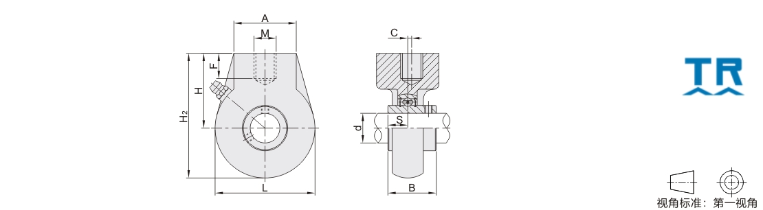
TR 带座轴承 铸造型 标准型 带悬吊式座外球面球轴承
品牌名称:
TR
条件筛选:
产品代码:
有 18 个备选型号
无数据
产品型号:
未税折扣单价: -- --
含税折扣单价: ----
含税总价 (税率13%): ¥--
预计发货天数:-- 天 (发货天数以下单次日起算,不含周日与法定假日)
购买数量():
起订量:0
, 加量幅度:0
登录后可查看价格、加入购物车、一键购买
立即登录
价格生成中...
登录后可查看价格、加入购物车、一键购买
立即登录
代码的技术资料信息曾有所变更,可前往 型号勘误表 查看变更记录
相似商品
同类人气商品
计算选型
技术图档
全部型号
3D预览
技术图档
产品简介
材质图
参数图
| 代码 | 类型 |
材质 |
||
| 轴承座 | 轴承 | |||
| UCHA...-TR | 带悬吊式座外球面球轴承 | HT200灰铸铁 | GCr15 | |

选型表
| 型号 | d | H2 | L | C | H | A | F | M | B | S | 额定负荷(N) | 重量 (Kg) |
|
| 动(Cr) | 静(Cor) | ||||||||||||
| UCHA201S-TR | 12 | 88.5 | 57 | 0 | 60 | 38 | 19 | G3/4 | 27.4 | 11.5 | 9550 | 4780 | 0.47 |
| UCHA202S-TR | 15 | 0.46 | |||||||||||
| UCHA203S-TR | 17 | 0.45 | |||||||||||
| UCHA201-TR | 12 | 96 | 64 | 64 | 40 | 31 | 12.7 | 12800 | 6650 | 0.69 | |||
| UCHA202-TR | 15 | 0.67 | |||||||||||
| UCHA203-TR | 17 | 0.66 | |||||||||||
| UCHA204-TR | 20 | 0.64 | |||||||||||
| UCHA205-TR | 25 | 103 | 78 | 34 | 14.3 | 14000 | 7880 | 0.81 | |||||
| UCHA206-TR | 30 | 38.1 | 15.9 | 19500 | 11200 | 0.79 | |||||||
| UCHA207-TR | 35 | 116 | 92 | 70 | 42.9 | 17.5 | 25700 | 15200 | 1.16 | ||||
| UCHA208-TR | 40 | 121 | 96 | 2 | 73 | 49.2 | 19 | 29600 | 18200 | 1.26 | |||
| UCHA209-TR | 45 | 136 | 108 | 5 | 82 | 48 | 21 | G1 | 31850 | 20800 | 1.74 | ||
| UCHA210-TR | 50 | 140.5 | 115 | 83 | 51.6 | 35100 | 23200 | 1.89 | |||||
| UCHA211-TR | 55 | 150 | 126 | 7 | 87 | 60 | 24 | G1-1/4 | 55.6 | 22.2 | 43550 | 29200 | 2.52 |
| UCHA212-TR | 60 | 173 | 142 | 9 | 102 | 28 | 65.1 | 25.4 | 47800 | 32800 | 3.54 | ||
| UCHA213-TR | 65 | 200 | 166 | 9.5 | 117 | 70 | 32 | G1-1/2 | 57200 | 40000 | 5.33 | ||
| UCHA214-TR | 70 | 74.6 | 30.2 | 60800 | 45000 | 5.46 | |||||||
| UCHA215-TR | 75 | 77.8 | 33.2 | 66000 | 49500 | 5.33 | |||||||
产品简介
1. 添加筛选条件,生成产品型号
客服
购物车
小程序
怡合达商城小程序
随身商城一手掌握
公众号
微信公众号
订单/资讯随手掌握
微信技术交流服务群
扫码添加进群
浏览记录
问题反馈
置顶
Copyright © 2010-2026 东莞怡合达自动化股份有限公司 版权所有 粤ICP备14032684号
营业执照: 91441900566614589Q