计算选型
图片仅供参考,请以已选的规格为准
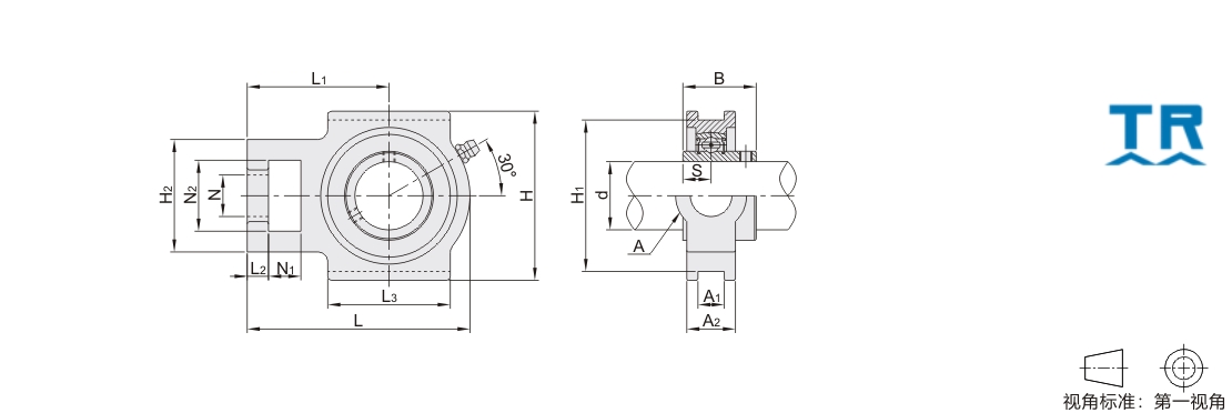
TR 带座轴承 铸造型 标准型 滑块座外球面球轴承
品牌名称:
TR
条件筛选:
产品代码:
有 41 个备选型号
登录后可查看价格、加入购物车、一键购买
立即登录
计算选型
技术图档
全部型号
3D预览
产品简介
材质图
参数图
| 代码 | 类型 |
材质 |
||
| 轴承座 | 轴承 | |||
| UCT...-TR | 滑块座外球面球轴承 | HT200灰铸铁 | GCr15 | |

选型表
| 型号 | d | N1 | L2 | H2 | N2 | N | L3 | A1 | H1 | H | L | A | A2 | L1 | B | S | 额定负荷(N) | 重量 (Kg) |
|
| 动(Cr) | 静(Cor) | ||||||||||||||||||
| UCT201S-TR | 12 | 15 | 9 | 46 | 31 | 18 | 46 | 12 | 70 | 82 | 88 | 30 | 21 | 58 | 27.4 | 11.5 | 9550 | 4780 | 0.62 |
| UCT202S-TR | 15 | 0.61 | |||||||||||||||||
| UCT203S-TR | 17 | 0.60 | |||||||||||||||||
| UCT201-TR | 12 | 16 | 10 | 51 | 32 | 19 | 51 | 76 | 89 | 94 | 32 | 61 | 31 | 12.7 | 12800 | 6650 | 0.78 | ||
| UCT202-TR | 15 | 0.76 | |||||||||||||||||
| UCT203-TR | 17 | 0.75 | |||||||||||||||||
| UCT204-TR | 20 | 0.73 | |||||||||||||||||
| UCT205-TR | 25 | 97 | 24 | 62 | 34 | 14.3 | 14000 | 7880 | 0.82 | ||||||||||
| UCT206-TR | 30 | 56 | 37 | 22 | 57 | 89 | 102 | 113 | 37 | 28 | 70 | 38.1 | 15.9 | 19500 | 11200 | 1.23 | |||
| UCT207-TR | 35 | 13 | 64 | 64 | 129 | 30 | 78 | 42.9 | 17.5 | 25700 | 15200 | 1.61 | |||||||
| UCT208-TR | 40 | 19 | 16 | 83 | 49 | 29 | 83 | 16 | 102 | 114 | 144 | 49 | 33 | 88 | 49.2 | 19 | 29600 | 18200 | 2.34 |
| UCT209-TR | 45 | 117 | 35 | 87 | 31850 | 20800 | 2.33 | ||||||||||||
| UCT210-TR | 50 | 86 | 149 | 37 | 90 | 51.6 | 35100 | 23200 | 2.48 | ||||||||||
| UCT211-TR | 55 | 25 | 19 | 102 | 64 | 35 | 95 | 22 | 130 | 146 | 171 | 64 | 38 | 106 | 55.6 | 22.2 | 43550 | 29200 | 3.79 |
| UCT212-TR | 60 | 32 | 102 | 194 | 42 | 119 | 65.1 | 25.4 | 47800 | 32800 | 4.61 | ||||||||
| UCT213-TR | 65 | 32 |
21 | 111 | 70 | 41 | 121 | 26 | 151 | 167 | 224 | 70 | 44 | 137 | 57200 | 40000 | 6.62 | ||
| UCT214-TR | 70 | 46 | 74.6 | 30.2 | 60800 | 45000 | 6.76 | ||||||||||||
| UCT215-TR | 75 | 232 | 48 | 140 | 77.8 | 33.3 | 66000 | 49500 | 7.18 | ||||||||||
| UCT216-TR | 80 | 165 | 184 | 235 | 51 | 82.6 | 71500 | 54200 | 8.40 | ||||||||||
| UCT217-TR | 85 | 38 | 29 | 124 | 73 | 48 | 157 | 30 | 173 | 198 | 260 | 73 | 54 | 162 | 85.7 | 34.1 | 83200 | 63800 | 10.70 |
| UCT218-TR | 90 | 40 | 30 | 130 | 80 | 140 | 190 | 215 | 275 | 80 | 55 | 170 | 96 | 39.7 | 95900 | 71500 | 11.80 | ||
| UCT305-TR | 25 | 16 | 14 | 62 | 36 | 26 | 65 | 12 | 80 | 89 | 122 | 36 | 26 | 76 | 38 | 15 | 22360 | 11500 | 1.25 |
| UCT306-TR | 30 | 18 | 16 | 70 | 41 | 28 | 74 | 16 | 90 | 100 | 137 | 41 | 28 | 85 | 43 | 17 | 27000 | 15200 | 1.79 |
| UCT307-TR | 35 | 20 | 17 | 75 | 45 | 30 | 80 | 100 | 111 | 150 | 45 | 32 | 94 | 48 | 19 | 33500 | 19200 | 2.34 | |
| UCT308-TR | 40 | 22 | 19 | 83 | 50 | 32 | 89 | 18 | 112 | 124 | 162 | 50 | 34 | 100 | 52 | 40560 | 24000 | 2.99 | |
| UCT309-TR | 45 | 24 | 20 | 90 | 55 | 34 | 97 | 125 | 138 | 178 | 55 | 38 | 110 | 57 | 22 | 53000 | 31800 | 3.93 | |
| UCT310-TR | 50 | 27 | 22 | 98 | 61 | 37 | 106 | 20 | 140 | 151 | 192 | 61 | 40 | 118 | 61 | 61750 | 37800 | 5.03 | |
| UCT311-TR | 55 | 29 | 23 | 105 | 66 | 39 | 115 | 22 | 150 | 163 | 207 | 66 | 44 | 127 | 66 | 25 | 71500 | 44800 | 6.19 |
| UCT312-TR | 60 | 31 | 25 | 113 | 71 | 41 | 123 | 160 | 178 | 220 | 71 | 46 | 135 | 71 | 26 | 81600 | 51800 | 7.48 | |
| UCT313-TR | 65 | 32 | 27 | 116 | 70 | 43 | 134 | 26 | 170 | 190 | 238 | 80 | 50 | 146 | 75 | 30 | 93860 | 60500 | 9.48 |
| UCT314-TR | 70 | 36 | 130 | 85 | 46 | 140 | 180 | 202 | 252 | 90 | 52 | 155 | 78 | 31 | 104260 | 68000 | 11.00 | ||
| UCT315-TR | 75 | 132 | 150 | 192 | 216 | 262 | 55 | 160 | 82 | 32 | 113360 | 76800 | 12.70 | ||||||
| UCT316-TR | 80 | 42 | 30 | 150 | 98 | 53 | 160 | 30 | 204 | 230 | 282 | 102 | 60 | 174 | 86 | 34 | 122850 | 86500 | 16.10 |
| UCT317-TR | 85 | 32 | 152 | 170 | 32 | 214 | 240 | 298 | 64 | 183 | 96 | 40 | 132600 | 96500 | 18.60 | ||||
| UCT318-TR | 90 | 46 | 160 | 106 | 57 | 175 | 228 | 255 | 312 | 110 | 66 | 192 | 143000 | 108000 | 21.30 | ||||
| UCT319-TR | 95 | 33 | 165 | 180 | 35 | 240 | 270 | 322 | 72 | 197 | 103 | 41 | 156000 | 122000 | 24.70 | ||||
| UCT320-TR | 100 | 48 | 34 | 175 | 115 | 59 | 200 | 260 | 290 | 345 | 120 | 75 | 210 | 108 | 42 | 171600 | 140000 | 30.20 | |
| UCT322-TR | 110 | 52 | 40 | 185 | 125 | 65 | 215 | 38 | 285 | 320 | 385 | 130 | 80 | 235 | 117 | 46 | 158000 | 178000 | 40.20 |
| UCT324-TR | 120 | 60 | 44 | 210 | 140 | 70 | 230 | 45 | 320 | 355 | 432 | 140 | 90 | 267 | 126 | 51 | 175000 | 208000 | 55.00 |
| UCT326-TR | 130 | 65 | 47 | 220 | 150 | 75 | 240 | 50 | 350 | 385 | 465 | 150 | 100 | 285 | 135 | 54 | 195000 | 242000 | 69.00 |
| UCT328-TR | 140 | 70 | 52 | 230 | 160 | 80 | 255 | 380 | 415 | 515 | 155 | 100 | 315 | 145 | 59 | 212000 | 272000 | 83.70 | |