计算选型
图片仅供参考,请以已选的规格为准
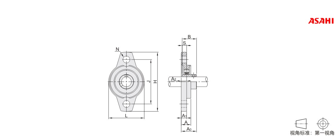
ASAHI 带座轴承 铸造型 标准型 微型菱形座外球面球轴承
品牌名称:
ASAHI
条件筛选:
参数筛选:
产品名称
无数据
轴承座外形
无数据
轴承座材质
无数据
产品代码:
有 12 个备选型号
无数据
产品型号:
未税折扣单价: -- --
含税折扣单价: ----
含税总价 (税率13%): ¥--
预计发货天数:-- 天 (发货天数以下单次日起算,不含周日与法定假日)
购买数量():
起订量:0
, 加量幅度:0
登录后可查看价格、加入购物车、一键购买
立即登录
价格生成中...
登录后可查看价格、加入购物车、一键购买
立即登录
代码的技术资料信息曾有所变更,可前往 型号勘误表 查看变更记录
相似商品
同类人气商品
计算选型
技术图档
全部型号
3D预览
技术图档
产品简介
材质图
参数图
| 代码 | 类型 | 材质 | |
| 轴承座 | 轴承 | ||
| KFL...-ASAHI | 微型菱形座外球面球轴承 | 锌合金 | GCr15 |
| BLFL...J-ASAHI | 轻型菱形座外球面球轴承 | HT200灰铸铁 | |

选型表
| 型号 | 轴径 |
H |
L |
A |
J |
N |
A1 |
A2 |
A0 |
B |
S |
螺栓 |
额定负载(KN) |
重量 (Kg) |
|
| 动(Cr) | 静(Cor) | ||||||||||||||
| KFL001-ASAHI | 12 | 63 | 38 | 11.5 | 48 | 7 | 5.5 | 5.5 | 16 | 14.5 | 4 | M6 | 5.1 | 2.4 | 0.70 |
| KFL002-ASAHI | 15 | 67 | 42 | 13 | 53 | 6.5 | 6.5 | 18.5 | 16.5 | 4.5 | 5.6 | 2.8 | 0.90 | ||
| KFL003-ASAHI | 17 | 71 | 46 | 14 | 56 | 7 | 7 | 19.5 | 17.5 | 5 | 6 | 3.3 | 0.115 | ||
| KFL004-ASAHI | 20 | 90 | 55 | 16 | 71 | 10 | 8 | 8 | 23 | 21 | 6 | M8 | 9.35 | 5.1 | 0.19 |
| KFL005-ASAHI | 25 | 95 | 60 | 75 | 24.5 | 22.5 | 10.1 | 5.8 | 0.22 | ||||||
| KFL006-ASAHI | 30 | 112 | 70 | 18 | 85 | 13 | 9 | 9 | 27 | 24.5 | 6.5 | M10 | 13.2 | 8.3 | 0.34 |
| BLFL2J-ASAHI | 15 | 81 | 56 | 18 | 63.5 | 7 | 9.5 | 9.5 | 25.5 | 22 | 6 | M6 | 9.55 | 4.8 | 0.27 |
| BLFL3J-ASAHI | 17 | 0.25 | |||||||||||||
| BLFL4J-ASAHI | 20 | 90 | 63 | 20 | 71.5 | 10 | 11 | 11 | 28.7 | 24.7 | 7 | M8 | 12.8 | 6.6 | 0.30 |
| BLFL5J-ASAHI | 25 | 95 | 69 | 76 | 30.5 | 27 | 7.5 | 14 | 7.9 | 0.40 | |||||
| BLFL6J-ASAHI | 30 | 113 | 79 | 22.5 | 90.5 | 12 | 12 | 12 | 34.3 | 30.3 | 8 | M10 | 19.6 | 11.3 | 0.58 |
| BLFL7J-ASAHI | 35 | 122 | 89 | 24 | 100 | 13 | 13 | 37.4 | 32.9 | 8.5 | 25.9 | 15.4 | 0.81 | ||
产品简介
1. 添加筛选条件,生成产品型号
客服
购物车
小程序
怡合达商城小程序
随身商城一手掌握
公众号
微信公众号
订单/资讯随手掌握
微信技术交流服务群
扫码添加进群
浏览记录
问题反馈
置顶
Copyright © 2010-2026 东莞怡合达自动化股份有限公司 版权所有 粤ICP备14032684号
营业执照: 91441900566614589Q