计算选型
图片仅供参考,请以已选的规格为准
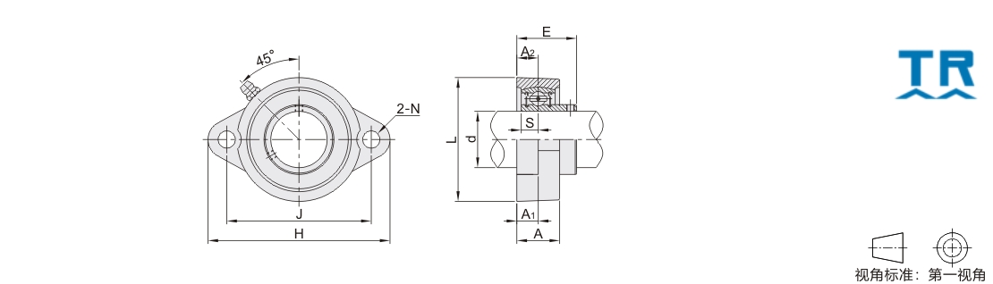
TR 带座轴承 铸造型 标准型 轻型菱形座外球面球轴承
品牌名称:
TR
条件筛选:
产品代码:
有 7 个备选型号
无数据
产品型号:
未税折扣单价: -- --
含税折扣单价: ----
含税总价 (税率13%): ¥--
预计发货天数:-- 天 (发货天数以下单次日起算,不含周日与法定假日)
购买数量():
起订量:0
, 加量幅度:0
登录后可查看价格、加入购物车、一键购买
立即登录
价格生成中...
登录后可查看价格、加入购物车、一键购买
立即登录
代码的技术资料信息曾有所变更,可前往 型号勘误表 查看变更记录
相似商品
同类人气商品
计算选型
技术图档
全部型号
3D预览
技术图档
产品简介
材质图
参数图
| 代码 | 类型 |
材质 |
||
| 轴承座 | 轴承 | |||
| SBLF...-TR | 轻型菱形座外球面球轴承 | HT200灰铸铁 | GCr15 | |

选型表
| 型号 | d | H | J | L | A2 | A1 | A | N | S | E | 螺栓 | 紧定扭力 (N·m) |
额定负荷(N) | 重量 (Kg) |
|
| 动(Cr) | 静(Cor) | ||||||||||||||
| SBLF201-TR | 12 | 81 | 63.5 | 56 | 9.5 | 9.5 | 18 | 8 | 6 | 25.5 | M6 | 3~6 | 9550 | 4780 | 0.29 |
| SBLF202-TR | 15 | 0.28 | |||||||||||||
| SBLF203-TR | 17 | 0.27 | |||||||||||||
| SBLF204-TR | 20 | 90 | 71.5 | 61 | 11 | 11 | 20 | 10 | 7 | 29 | M8 | 6~10 | 12800 | 6650 | 0.32 |
| SBLF205-TR | 25 | 95 | 76 | 64 | 7.5 | 30.5 | 14000 | 7880 | 0.36 | ||||||
| SBLF206-TR | 30 | 113 | 90.5 | 76 | 12 | 12 | 22.5 | 12 | 8 | 34 | M10 | 12~21 | 19500 | 11200 | 0.57 |
| SBLF207-TR | 35 | 122 | 100 | 89 | 13 | 13 | 24 | 8.5 | 36.5 | 25700 | 15200 | 0.78 | |||
产品简介
1. 添加筛选条件,生成产品型号
客服
购物车
小程序
怡合达商城小程序
随身商城一手掌握
公众号
微信公众号
订单/资讯随手掌握
微信技术交流服务群
扫码添加进群
浏览记录
问题反馈
置顶
Copyright © 2010-2026 东莞怡合达自动化股份有限公司 版权所有 粤ICP备14032684号
营业执照: 91441900566614589Q