计算选型
图片仅供参考,请以已选的规格为准
ASAHI 带座轴承 铸造型 标准型 方形座外球面球轴承
品牌名称:
ASAHI
条件筛选:
参数筛选:
产品名称
无数据
轴承座外形
无数据
产品代码:
有 33 个备选型号
无数据
产品型号:
未税折扣单价: -- --
含税折扣单价: ----
含税总价 (税率13%): ¥--
预计发货天数:-- 天 (发货天数以下单次日起算,不含周日与法定假日)
购买数量():
起订量:0
, 加量幅度:0
登录后可查看价格、加入购物车、一键购买
立即登录
价格生成中...
登录后可查看价格、加入购物车、一键购买
立即登录
代码的技术资料信息曾有所变更,可前往 型号勘误表 查看变更记录
相似商品
同类人气商品
计算选型
技术图档
全部型号
3D预览
技术图档
产品简介
材质图
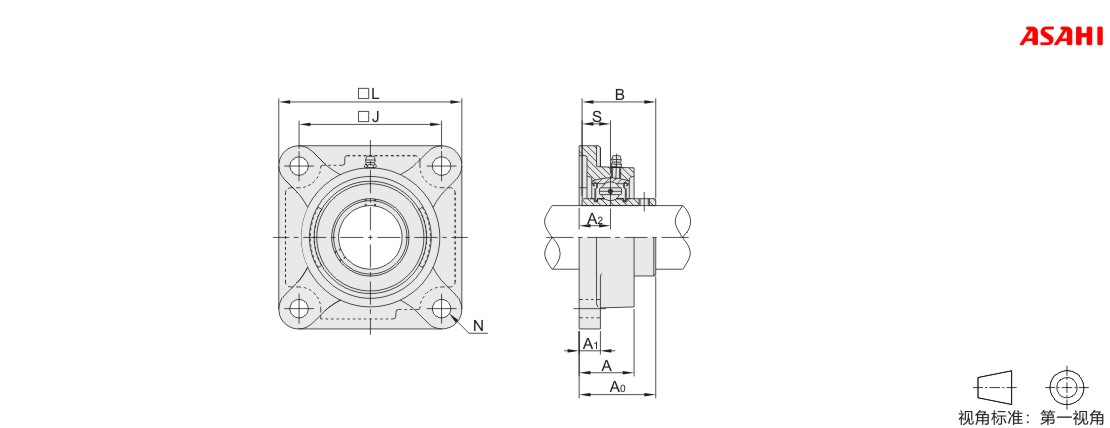
参数图
| 代码 | 类型 | 材质 | |
| 轴承座 | 轴承 | ||
| UCF...-ASAHI | 方形座外球面球轴承 | HT200灰铸铁 | GCr15 |
| UCFX...-ASAHI | 中型方形座外球面球轴承 | ||

选型表
| 型号 | 轴径 |
L |
A |
J |
N |
A1 |
A2 |
A0 |
B |
S |
螺栓 |
额定负载(KN) |
重量 (kg) |
|
| 动(Cr) | 静(Cor) | |||||||||||||
| UCF202-ASAHI | 15 | 86 | 25.5 | 64 | 12 | 12 | 15 | 33.3 | 31 | 12.7 | M10 | 12.8 | 6.6 | 0.61 |
| UCF203-ASAHI | 17 | 0.60 | ||||||||||||
| UCF204-ASAHI | 20 | 0.58 | ||||||||||||
| UCF205-ASAHI | 25 | 95 | 27 | 70 | 14 | 16 | 35.8 | 34.1 | 14.3 | 14 | 7.9 | 0.72 | ||
| UCF206-ASAHI | 30 | 108 | 31 | 83 | 18 | 40.2 | 38.1 | 15.9 | 19.6 | 11.3 | 1.01 | |||
| UCF207-ASAHI | 35 | 117 | 34 | 92 | 14 | 16 | 19 | 44.4 | 42.9 | 17.5 | M12 | 25.9 | 15.4 | 1.38 |
| UCF208-ASAHI | 40 | 130 | 36 | 102 | 16 | 21 | 51.2 | 49.2 | 19 | M14 | 29.3 | 17.9 | 1.77 | |
| UCF209-ASAHI | 45 | 137 | 38 | 105 | 18 | 22 | 52.2 | 33 | 20.5 | 2.07 | ||||
| UCF210-ASAHI | 50 | 143 | 40 | 111 | 54.6 | 51.6 | 35.5 | 23.2 | 2.36 | |||||
| UCF211-ASAHI | 55 | 162 | 43 | 130 | 19 | 20 | 25 | 58.4 | 55.6 | 22.2 | M16 | 43 | 29.4 | 3.4 |
| UCF212-ASAHI | 60 | 175 | 48 | 143 | 29 | 68.7 | 65.1 | 25.4 | 52.5 | 36.1 | 4.02 | |||
| UCF213-ASAHI | 65 | 187 | 50 | 149 | 30 | 69.7 | 57.5 | 40 | 4.98 | |||||
| UCF214-ASAHI | 70 | 193 | 54 | 152 | 24 | 31 | 75.4 | 74.6 | 30.2 | 62 | 44 | 5.56 | ||
| UCF215-ASAHI | 75 | 200 | 56 | 159 | 34 | 78.5 | 77.8 | 33.3 | 66 | 48.2 | 6.22 | |||
| UCF216-ASAHI | 80 | 208 | 58 | 165 | 23 | 83.3 | 82.6 | M20 | 72.5 | 53 | 7.48 | |||
| UCF217-ASAHI | 85 | 220 | 63 | 175 | 26 | 36 | 87.6 | 85.7 | 34.1 | 83.5 | 61.8 | 8.77 | ||
| UCF218-ASAHI | 90 | 235 | 68 | 187 | 40 | 96.3 | 96 | 39.7 | 95.5 | 71.4 | 10.74 | |||
| UCF306-ASAHI | 30 | 125 | 32 | 95 | 16 | 15 | 18 | 44 | 43 | 17 | M14 | 26.8 | 15 | 1.7 |
| UCF307-ASAHI | 35 | 135 | 36 | 100 | 19 | 16 | 20 | 49 | 48 | 19 | M16 | 33.5 | 19.2 | 2.1 |
| UCF308-ASAHI | 40 | 150 | 40 | 112 | 17 | 23 | 56 | 52 | 40.5 | 23.9 | 2.89 | |||
| UCF309-ASAHI | 45 | 160 | 44 | 125 | 18 | 25 | 60 | 57 | 22 | 51.5 | 29.5 | 3.6 | ||
| UCF310-ASAHI | 50 | 175 | 48 | 132 | 23 | 19 | 28 | 67 | 61 | M20 | 61.5 | 38.2 | 4.7 | |
| UCF311-ASAHI | 55 | 185 | 52 | 140 | 20 | 30 | 71 | 66 | 25 | 71.5 | 44.8 | 5.05 | ||
| UCF312-ASAHI | 60 | 195 | 56 | 150 | 22 | 33 | 78 | 71 | 26 | 81.5 | 52 | 6.54 | ||
| UCF313-ASAHI | 65 | 208 | 58 | 166 | 75 | 30 | 92.5 | 59.7 | 7.54 | |||||
| UCF324-ASAHI | 120 | 370 | 110 | 290 | 41 | 40 | 65 | 140 | 126 | 51 | M36 | 207 | 184.8 | 45.33 |
| UCFX08-ASAHI | 40 | 137 | 40 | 105 | 19 | 14 | 22 | 52.2 | 49.2 | 19 | M16 | 33 | 20.5 | 1.8 |
| UCFX09-ASAHI | 45 | 143 | 111 | 23 | 55.6 | 51.6 | 35.5 | 23.2 | 2.4 | |||||
| UCFX10-ASAHI | 50 | 162 | 44 | 130 | 20 | 26 | 59.4 | 55.6 | 22.2 | 43 | 29.4 | 3.6 | ||
| UCFX11-ASAHI | 55 | 175 | 49 | 143 | 29 | 68.7 | 65.1 | 25.4 | 52.5 | 36.1 | 4.5 | |||
| UCFX12-ASAHI | 60 | 187 | 59 | 149 | 21 | 34 | 73.7 | 57.5 | 40 | 5.3 | ||||
| UCFX13-ASAHI | 65 | 78.4 | 74.6 | 30.2 | 62 | 44 | 5.77 | |||||||
| UCFX14-ASAHI | 70 | 197 | 60 | 152 | 23 | 24 | 37 | 81.5 | 77.8 | 33.3 | M20 | 66 | 48.2 | 7.06 |
产品简介
1. 添加筛选条件,生成产品型号
客服
购物车
小程序
怡合达商城小程序
随身商城一手掌握
公众号
微信公众号
订单/资讯随手掌握
微信技术交流服务群
扫码添加进群
浏览记录
问题反馈
置顶
Copyright © 2010-2026 东莞怡合达自动化股份有限公司 版权所有 粤ICP备14032684号
营业执照: 91441900566614589Q