计算选型
图片仅供参考,请以已选的规格为准
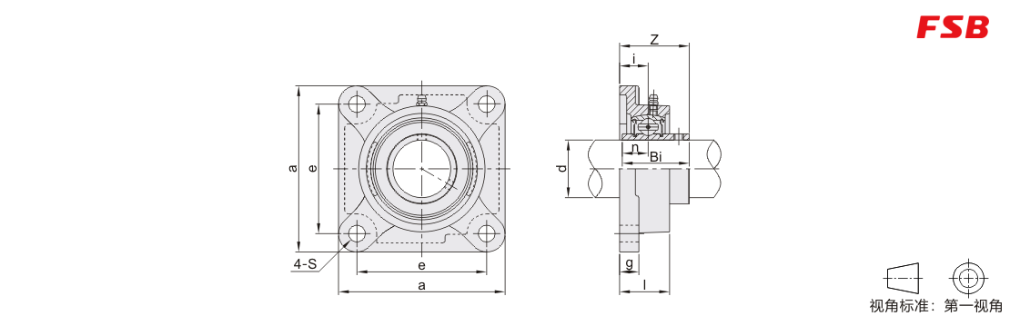
FSB(福山) 带座轴承 铸造型 标准型 方形座外球面球轴承
品牌名称:
FSB
条件筛选:
产品代码:
有 38 个备选型号
登录后可查看价格、加入购物车、一键购买
立即登录
计算选型
技术图档
全部型号
3D预览
产品简介
材质图
参数图
| 代码 | 类型 |
材质 | |
| 轴承座 | 轴承 | ||
| UCF...-FSB | 方形座外球面球轴承 | HT200灰铸铁 | GCr15 |

选型表
| 型号 | d |
a |
e |
i |
g |
l |
S |
Z |
Bi |
n |
螺栓 |
紧定扭力 (N·m) |
额定负载(N) |
重量 (Kg) |
|
| Cr(动) | Cor(静) | ||||||||||||||
| UCF201-FSB | 12 | 86 | 64 | 15 | 12 | 25.5 | 12 | 33.3 | 31 | 12.7 | M10 | 17 | 12800 | 6650 | 0.63 |
| UCF202-FSB | 15 | ||||||||||||||
| UCF203-FSB | 17 | ||||||||||||||
| UCF204-FSB | 20 | ||||||||||||||
| UCF205-FSB | 25 | 95 | 70 | 16 | 14 | 27 | 35.7 | 34 | 14.3 | 14000 | 7880 | 0.82 | |||
| UCF206-FSB | 30 | 108 | 83 | 18 | 31 | 40.2 | 38.1 | 15.9 | 19500 | 11200 | 1.1 | ||||
| UCF207-FSB | 35 | 117 | 92 | 19 | 16 | 34 | 14 | 44.4 | 42.9 | 17.5 | M12 | 29 | 25700 | 15200 | 1.5 |
| UCF208-FSB | 40 | 130 | 102 | 21 | 36 | 16 | 51.2 | 49.2 | 19 | M14 | 47 | 29600 | 18200 | 1.9 | |
| UCF209-FSB | 45 | 137 | 105 | 22 | 18 | 38 | 52.2 | 31850 | 20800 | 2.3 | |||||
| UCF210-FSB | 50 | 143 | 111 | 40 | 54.6 | 51.6 | 35100 | 23200 | 2.5 | ||||||
| UCF211-FSB | 55 | 162 | 130 | 25 | 20 | 43 | 19 | 58.4 | 55.6 | 22.2 | M16 | 73 | 43300 | 29200 | 3.4 |
| UCF212-FSB | 60 | 175 | 143 | 29 | 48 | 68.7 | 65.1 | 25.4 | 47750 | 32900 | 4.4 | ||||
| UCF213-FSB | 65 | 187 | 149 | 30 | 50 | 69.7 | 57200 | 40000 | 5.3 | ||||||
| UCF214-FSB | 70 | 193 | 152 | 31.8 | 24.8 | 54.8 | 76.2 | 74.6 | 30.2 | 60800 | 45000 | 6 | |||
| UCF215-FSB | 75 | 200 | 159 | 35 | 22 | 57 | 79.5 | 77.8 | 33.3 | 66100 | 49400 | 6.6 | |||
| UCF216-FSB | 80 | 208 | 165 | 23 | 59 | 23 | 84.3 | 82.6 | M20 | 145 | 71500 | 54000 | 7.5 | ||
| UCF217-FSB | 85 | 220 | 175 | 36 | 24 | 63 | 87.6 | 85.7 | 34.1 | 83200 | 63900 | 9.1 | |||
| UCF218-FSB | 90 | 235 | 187 | 42 | 27 | 70 | 98.3 | 96 | 39.7 | 95900 | 71400 | 11.3 | |||
| UCF305-FSB | 25 | 110 | 80 | 16 | 13 | 29 | 16 | 39 | 38 | 15 | M14 | 47 | 22300 | 11400 | 1.2 |
| UCF306-FSB | 30 | 125 | 95 | 18 | 15 | 32 | 44 | 43 | 17 | 27000 | 15000 | 1.8 | |||
| UCF307-FSB | 35 | 135 | 100 | 20 | 16 | 36 | 19 | 49 | 48 | 19 | M16 | 73 | 33000 | 19000 | 2.2 |
| UCF308-FSB | 40 | 150 | 112 | 23 | 17 | 40 | 56 | 52 | 40500 | 24000 | 3 | ||||
| UCF309-FSB | 45 | 160 | 125 | 25 | 18 | 44 | 60 | 57 | 22 | 52800 | 31800 | 3.8 | |||
| UCF310-FSB | 50 | 175 | 132 | 28 | 19 | 48 | 23 | 67 | 61 | M20 | 145 | 61800 | 37900 | 4.9 | |
| UCF311-FSB | 55 | 185 | 140 | 30 | 20 | 52 | 71 | 66 | 25 | 71500 | 44700 | 5.6 | |||
| UCF312-FSB | 60 | 195 | 150 | 33 | 22 | 56 | 78 | 71 | 26 | 81700 | 51800 | 6.8 | |||
| UCF313-FSB | 65 | 208 | 166 | 58 | 75 | 30 | 93800 | 60000 | 7.8 | ||||||
| UCF314-FSB | 70 | 226 | 178 | 36 | 25 | 61 | 25 | 81 | 78 | 33 | M22 | 200 | 104100 | 68000 | 9.8 |
| UCF315-FSB | 75 | 236 | 184 | 39 | 66 | 89 | 82 | 32 | 113400 | 77000 | 11.6 | ||||
| UCF316-FSB | 80 | 250 | 196 | 38 | 27 | 68 | 31 | 90 | 86 | 34 | M27 | 372 | 122900 | 86500 | 13.2 |
| UCF317-FSB | 85 | 260 | 204 | 44 | 74 | 100 | 96 | 40 | 132500 | 96500 | 15.2 | ||||
| UCF318-FSB | 90 | 280 | 216 | 30 | 76 | 35 | M30 | 500 | 144050 | 108000 | 18.8 | ||||
| UCF319-FSB | 95 | 290 | 228 | 59 | 94 | 121 | 103 | 41 | 156600 | 122000 | 21.1 | ||||
| UCF320-FSB | 100 | 310 | 242 | 32 | 38 | 125 | 108 | 42 | M33 | 690 | 173000 | 140000 | 25.3 | ||
| UCF322-FSB | 110 | 340 | 266 | 60 | 35 | 96 | 41 | 131 | 117 | 46 | M36 | 880 | 204900 | 178300 | 35 |
| UCF324-FSB | 120 | 370 | 290 | 65 | 40 | 110 | 140 | 126 | 51 | 227500 | 207000 | 47.2 | |||
| UCF326-FSB | 130 | 410 | 320 | 45 | 115 | 146 | 135 | 54 | 253000 | 241000 | 64.1 | ||||
| UCF328-FSB | 140 | 450 | 350 | 75 | 55 | 125 | 161 | 145 | 59 | 274500 | 270000 | 90.2 | |||