计算选型
图片仅供参考,请以已选的规格为准
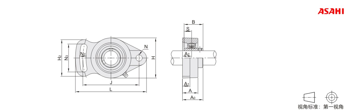
ASAHI 带座轴承 铸造型 标准型 带可调菱形外球面球轴承
品牌名称:
ASAHI
条件筛选:
产品代码:
有 7 个备选型号
无数据
产品型号:
未税折扣单价: -- --
含税折扣单价: ----
含税总价 (税率13%): ¥--
预计发货天数:-- 天 (发货天数以下单次日起算,不含周日与法定假日)
购买数量():
起订量:0
, 加量幅度:0
登录后可查看价格、加入购物车、一键购买
立即登录
价格生成中...
登录后可查看价格、加入购物车、一键购买
立即登录
代码的技术资料信息曾有所变更,可前往 型号勘误表 查看变更记录
相似商品
同类人气商品
计算选型
技术图档
全部型号
3D预览
技术图档
产品简介
材质图
参数图
| 代码 | 类型 | 材质 | |
| 轴承座 | 轴承 | ||
| UCFA...-ASAHI | 带可调菱形座外球面轴承 | HT200灰铸铁 | GCr15 |

选型表
| 型号 | 轴径 |
H |
H2 |
L |
A |
J |
N |
N2 |
N3 |
A1 |
A2 |
A0 |
B |
S |
螺栓 |
额定负载(KN) |
重量 (kg) |
|
| 动(Cr) | 静(Cor) | |||||||||||||||||
| UCFA204-ASAHI | 20 | 60 | 54 | 102 | 25.5 | 78 | 10 | 10 | 40 | 12 | 15 | 33.3 | 31 | 12.7 | M8 | 12.8 | 6.6 | 0.46 |
| UCFA205-ASAHI | 25 | 68 | 65 | 125 | 27 | 98 | 12 | 13 | 51 | 14 | 16 | 35.8 | 34.1 | 14.3 | M10 | 14 | 7.9 | 0.66 |
| UCFA206-ASAHI | 30 | 80 | 72 | 144 | 31 | 117 | 58 | 18 | 40.2 | 38.1 | 15.9 | 19.6 | 11.3 | 1.0 | ||||
| UCFA207-ASAHI | 35 | 90 | 82 | 161 | 34 | 130 | 14 | 15 | 66 | 16 | 19 | 44.4 | 42.9 | 17.5 | M12 | 25.9 | 15.4 | 1.4 |
| UCFA208-ASAHI | 40 | 100 | 87 | 175 | 36 | 144 | 71 | 21 | 51.2 | 49.2 | 19 | 29.3 | 17.9 | 1.7 | ||||
| UCFA209-ASAHI | 45 | 108 | 90 | 181 | 38 | 148 | 16 | 17 | 72 | 18 | 22 | 52.2 | M14 | 33 | 20.5 | 2.0 | ||
| UCFA210-ASAHI | 50 | 115 | 94 | 190 | 40 | 157 | 76 | 54.6 | 51.6 | 35.5 | 23.2 | 2.4 | ||||||
产品简介
1. 添加筛选条件,生成产品型号
客服
购物车
小程序
怡合达商城小程序
随身商城一手掌握
公众号
微信公众号
订单/资讯随手掌握
微信技术交流服务群
扫码添加进群
浏览记录
问题反馈
置顶
Copyright © 2010-2026 东莞怡合达自动化股份有限公司 版权所有 粤ICP备14032684号
营业执照: 91441900566614589Q