计算选型
图片仅供参考,请以已选的规格为准
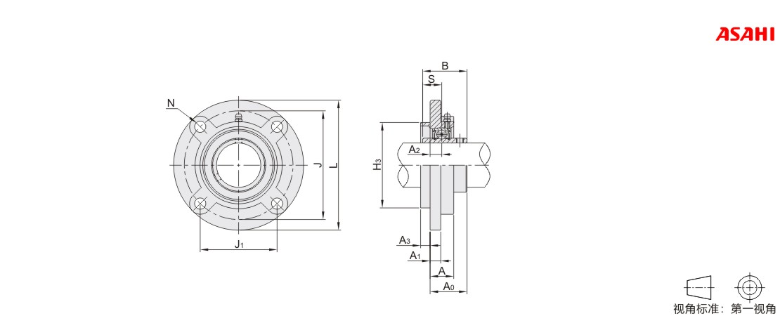
ASAHI 带座轴承 铸造型 标准型 凹凸圆形座外球面球轴承
品牌名称:
ASAHI
条件筛选:
参数筛选:
产品名称
无数据
轴承座外形
无数据
产品代码:
有 21 个备选型号
无数据
产品型号:
未税折扣单价: -- --
含税折扣单价: ----
含税总价 (税率13%): ¥--
预计发货天数:-- 天 (发货天数以下单次日起算,不含周日与法定假日)
购买数量():
起订量:0
, 加量幅度:0
登录后可查看价格、加入购物车、一键购买
立即登录
价格生成中...
登录后可查看价格、加入购物车、一键购买
立即登录
代码的技术资料信息曾有所变更,可前往 型号勘误表 查看变更记录
相似商品
同类人气商品
计算选型
技术图档
全部型号
3D预览
技术图档
产品简介
材质图
参数图
| 代码 | 类型 | 材质 | |
| 轴承座 | 轴承 | ||
| UCFC...-ASAHI | 凹凸圆形座外球面球轴承 | HT200灰铸铁 | GCr15 |
| UCFCX...-ASAHI | 中型凹凸圆形座外球面球轴承 | ||

选型表
| 型号 | 轴径 |
L |
A |
J |
J1 |
N |
A1 |
A2 |
A3 |
H3 |
A0 |
B |
S |
螺栓 |
额定负载(KN) |
重量 (kg) |
|
| 动(Cr) | 静(Cor) | ||||||||||||||||
| UCFC204-ASAHI | 20 | 100 | 20.5 | 78 | 55.1 | 12 | 7 | 10 | 5 | 62 | 28.3 | 31 | 12.7 | M10 | 12.8 | 6.6 | 0.84 |
| UCFC205-ASAHI | 25 | 115 | 21 | 90 | 63.6 | 6 | 70 | 29.8 | 34.1 | 14.3 | 14 | 7.9 | 0.97 | ||||
| UCFC206-ASAHI | 30 | 125 | 23 | 100 | 70.7 | 8 | 8 | 80 | 32.2 | 38.1 | 15.9 | 19.6 | 11.3 | 1.18 | |||
| UCFC207-ASAHI | 35 | 135 | 26 | 110 | 77.8 | 14 | 9 | 11 | 90 | 36.4 | 42.9 | 17.5 | M12 | 25.9 | 15.4 | 1.55 | |
| UCFC208-ASAHI | 40 | 145 | 120 | 84.8 | 10 | 100 | 41.2 | 49.2 | 19 | 29.3 | 17.9 | 1.85 | |||||
| UCFC209-ASAHI | 45 | 160 | 132 | 93.3 | 16 | 14 | 10 | 12 | 105 | 40.2 | M14 | 33 | 20.5 | 2.42 | |||
| UCFC210-ASAHI | 50 | 165 | 28 | 138 | 97.6 | 110 | 42.6 | 51.6 | 35.5 | 23.2 | 2.71 | ||||||
| UCFC211-ASAHI | 55 | 185 | 31 | 150 | 106.1 | 19 | 15 | 13 | 125 | 46.4 | 55.6 | 22.2 | M16 | 43 | 29.4 | 3.9 | |
| UCFC212-ASAHI | 60 | 195 | 36 | 160 | 113.1 | 17 | 135 | 56.7 | 65.1 | 25.4 | 52.5 | 36.1 | 4.55 | ||||
| UCFC213-ASAHI | 65 | 205 | 170 | 120.2 | 16 | 14 | 145 | 55.7 | 57.5 | 40 | 5.11 | ||||||
| UCFC214-ASAHI | 70 | 215 | 40 | 177 | 125.1 | 18 | 17 | 150 | 61.4 | 74.6 | 30.2 | 62 | 44 | 6.4 | |||
| UCFC215-ASAHI | 75 | 220 | 184 | 130.1 | 18 | 16 | 160 | 62.5 | 77.8 | 33.3 | 66 | 48.2 | 6.92 | ||||
| UCFC216-ASAHI | 80 | 240 | 42 | 200 | 141.4 | 23 | 170 | 67.3 | 82.6 | M20 | 72.5 | 53 | 8.6 | ||||
| UCFC217-ASAHI | 85 | 250 | 45 | 208 | 147.1 | 20 | 18 | 180 | 69.6 | 85.7 | 34.1 | 83.5 | 61.8 | 9.83 | |||
| UCFC218-ASAHI | 90 | 265 | 50 | 220 | 155.5 | 22 | 190 | 78.3 | 96 | 39.7 | 95.5 | 71.4 | 12.24 | ||||
| UCFCX06-ASAHI | 30 | 127 | 22.5 | 105 | 74.2 | 12 | 9.5 | 8 | 9.5 | 85 | 33.4 | 42.9 | 17.5 | M10 | 25.9 | 15.4 | 1.5 |
| UCFCX08-ASAHI | 40 | 133 | 26 | 111 | 78.5 | 11 | 9 | 11 | 92 | 39.2 | 49.2 | 19 | 33 | 20.5 | 1.8 | ||
| UCFCX11-ASAHI | 55 | 180 | 26 | 152 | 107.5 | 16 | 13 | 4 | 22 | 127 | 43.7 | 65.1 | 25.4 | M14 | 52.5 | 36.1 | 4.0 |
| UCFCX12-ASAHI | 60 | 194 | 33 | 165 | 116.7 | 14 | 11 | 20 | 140 | 50.7 | 57.5 | 40 | 4.6 | ||||
| UCFCX14-ASAHI | 70 | 222 | 36 | 190 | 134.3 | 19 | 14 | 164 | 58.5 | 77.8 | 33.3 | M16 | 66 | 48.2 | 7.4 | ||
| UCFCX18-ASAHI | 90 | 260 | 43 | 219 | 154.8 | 23 | 19 | 12 | 28 | 186 | 73.1 | 104 | 42.9 | M20 | 109 | 81.6 | 11.3 |
产品简介
1. 添加筛选条件,生成产品型号
客服
购物车
小程序
怡合达商城小程序
随身商城一手掌握
公众号
微信公众号
订单/资讯随手掌握
微信技术交流服务群
扫码添加进群
浏览记录
问题反馈
置顶
Copyright © 2010-2026 东莞怡合达自动化股份有限公司 版权所有 粤ICP备14032684号
营业执照: 91441900566614589Q