计算选型
图片仅供参考,请以已选的规格为准
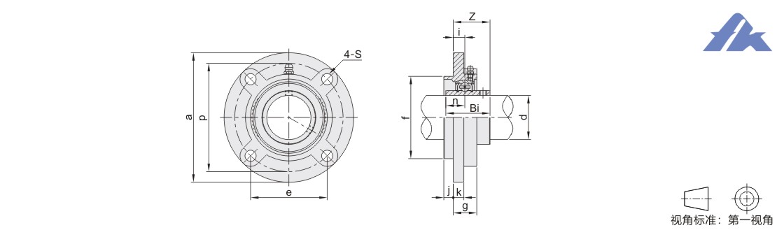
FKB(泛科) 带座轴承 铸造型 标准型 凹凸圆形座外球面球轴承
品牌名称:
FKB
条件筛选:
产品代码:
有 14 个备选型号
无数据
产品型号:
未税折扣单价: -- --
含税折扣单价: ----
含税总价 (税率13%): ¥--
预计发货天数:-- 天 (发货天数以下单次日起算,不含周日与法定假日)
购买数量():
起订量:0
, 加量幅度:0
登录后可查看价格、加入购物车、一键购买
立即登录
价格生成中...
登录后可查看价格、加入购物车、一键购买
立即登录
代码的技术资料信息曾有所变更,可前往 型号勘误表 查看变更记录
相似商品
同类人气商品
计算选型
技术图档
全部型号
3D预览
技术图档
产品简介
材质图
参数图
| 代码 | 类型 |
材质 |
||
| 轴承座 | 轴承 | |||
| UCFC...-FKB | 凹凸圆型座外球面球轴承 | HT200灰铸铁 | GCr15 | |

选型表
| 型号 | d | a | p | e | i | S | j | k | g | f | Z | Bi | n | 螺栓 | 紧定扭力 (N.m) |
额定负载(N) | 重量 (kg) |
|
| Cr(动) | Cor(静) | |||||||||||||||||
| UCFC205-FKB | 25 | 115 | 90 | 63.6 | 10 | 12 | 6 | 7 | 21 | 70 | 29.8 | 34.1 | 14.3 | M10 | 17 | 14000 | 7850 | 0.89 |
| UCFC206-FKB | 30 | 125 | 100 | 70.7 | 8 | 8 | 23 | 80 | 32.2 | 38.1 | 15.9 | 19450 | 11250 | 1.18 | ||||
| UCFC207-FKB | 35 | 135 | 110 | 77.8 | 11 | 14 | 9 | 26 | 90 | 36.4 | 42.9 | 17.5 | M12 | 29 | 25700 | 15200 | 1.53 | |
| UCFC208-FKB | 40 | 145 | 120 | 84.8 | 10 | 100 | 41.2 | 49.2 | 19 | 29500 | 18100 | 1.85 | ||||||
| UCFC209-FKB | 45 | 160 | 132 | 93.3 | 10 | 16 | 12 | 14 | 105 | 40.2 | M14 | 47 | 32700 | 20900 | 2.53 | |||
| UCFC210-FKB | 50 | 165 | 138 | 97.6 | 28 | 110 | 42.6 | 51.6 | 35000 | 23200 | 2.78 | |||||||
| UCFC211-FKB | 55 | 185 | 150 | 106.1 | 13 | 19 | 15 | 31 | 125 | 46.4 | 55.6 | 22.2 | M16 | 73 | 43300 | 29200 | 3.86 | |
| UCFC212-FKB | 60 | 195 | 160 | 113.1 | 17 | 36 | 135 | 56.7 | 65.1 | 25.4 | 47700 | 32800 | 4.69 | |||||
| UCFC213-FKB | 65 | 205 | 170 | 120.2 | 16 | 14 | 145 | 55.7 | 57200 | 40000 | 5.3 | |||||||
| UCFC214-FKB | 70 | 215 | 177 | 125.1 | 17 | 18 | 40 | 150 | 61.4 | 74.6 | 30.2 | 62100 | 44800 | 6.46 | ||||
| UCFC215-FKB | 75 | 220 | 184 | 130.1 | 18 | 16 | 160 | 62.5 | 77.8 | 33.3 | 66200 | 49300 | 6.86 | |||||
| UCFC216-FKB | 80 | 240 | 200 | 141.4 | 23 | 42 | 170 | 67.3 | 82.6 | M20 | 145 | 72600 | 53300 | 8.47 | ||||
| UCFC217-FKB | 85 | 250 | 208 | 147.1 | 18 | 20 | 45 | 180 | 69.6 | 85.7 | 34.1 | 83300 | 63700 | 10.18 | ||||
| UCFC218-FKB | 90 | 265 | 220 | 155.5 | 22 | 50 | 190 | 78.3 | 96 | 39.7 | 96000 | 71100 | 12.24 | |||||
产品简介
1. 添加筛选条件,生成产品型号
客服
购物车
公众号
微信公众号
订单/资讯随手掌握
微信技术交流服务群
扫码添加进群
浏览记录
问题反馈
置顶
Copyright © 2010-2026 东莞怡合达自动化股份有限公司 版权所有 粤ICP备14032684号
营业执照: 91441900566614589Q