计算选型
图片仅供参考,请以已选的规格为准
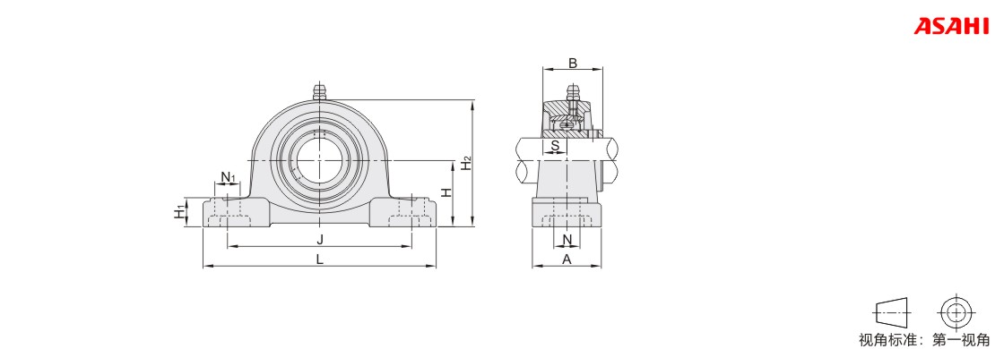
ASAHI 带座轴承 铸造型 标准型 立式座外球面球轴承
品牌名称:
ASAHI
条件筛选:
产品代码:
有 35 个备选型号
登录后可查看价格、加入购物车、一键购买
立即登录
计算选型
技术图档
全部型号
3D预览
产品简介
材质图
参数图
| 代码 | 类型 | 材质 | |
| 轴承座 | 轴承 | ||
| UCP...-ASAHI | 立式座外球面球轴承 | HT200灰铸铁 | GCr15 |

选型表
| 型号 | 轴径 |
H | L |
A |
J |
N |
N1 |
H1 |
H2 |
B |
S |
螺栓 |
额定负载(KN) |
重量 (kg) |
|
| 动(Cr) | 静(Cor) | ||||||||||||||
| UCP202-ASAHI | 15 | 30.2 | 127 | 38 | 95 | 13 | 19 | 15 | 62 | 31 | 12.7 | M10 | 12.8 | 6.6 | 0.63 |
| UCP203-ASAHI | 17 | 0.62 | |||||||||||||
| UCP204-ASAHI | 20 | 33.3 | 65 | 0.65 | |||||||||||
| UCP205-ASAHI | 25 | 36.5 | 140 | 105 | 16 | 16 | 70 | 34.1 | 14.3 | 14 | 7.9 | 0.79 | |||
| UCP206-ASAHI | 30 | 42.9 | 165 | 48 | 121 | 17 | 21 | 18 | 83 | 38.1 | 15.9 | M14 | 19.6 | 11.3 | 1.26 |
| UCP207-ASAHI | 35 | 47.6 | 167 | 127 | 19 | 94 | 42.9 | 17.5 | 25.9 | 15.4 | 1.59 | ||||
| UCP208-ASAHI | 40 | 49.2 | 184 | 54 | 137 | 25 | 100 | 49.2 | 19 | 29.3 | 17.9 | 1.92 | |||
| UCP209-ASAHI | 45 | 54 | 190 | 146 | 22 | 20 | 108 | 33 | 20.5 | 2.19 | |||||
| UCP210-ASAHI | 50 | 57.2 | 206 | 60 | 159 | 20 | 25 | 22 | 114 | 51.6 | M16 | 35.5 | 23.2 | 2.59 | |
| UCP211-ASAHI | 55 | 63.5 | 219 | 171 | 126 | 55.6 | 22.2 | 43 | 29.4 | 3.3 | |||||
| UCP212-ASAHI | 60 | 69.8 | 241 | 70 | 184 | 25 | 138 | 65.1 | 25.4 | 52.5 | 36.1 | 4.7 | |||
| UCP213-ASAHI | 65 | 76.2 | 265 | 203 | 25 | 29 | 27 | 150 | M20 | 57.5 | 40 | 5.6 | |||
| UCP214-ASAHI | 70 | 79.4 | 266 | 72 | 210 | 31 | 156 | 74.6 | 30.2 | 62 | 44 | 7.3 | |||
| UCP215-ASAHI | 75 | 82.6 | 275 | 74 | 217 | 28 | 163 | 77.8 | 33.3 | 66 | 48.2 | 7.9 | |||
| UCP216-ASAHI | 80 | 88.9 | 292 | 78 | 232 | 30 | 175 | 82.6 | 72.5 | 53 | 10.0 | ||||
| UCP217-ASAHI | 85 | 95.2 | 310 | 83 | 247 | 32 | 187 | 85.7 | 34.1 | 83.5 | 61.8 | 12.2 | |||
| UCP218-ASAHI | 90 | 101.6 | 327 | 88 | 262 | 27 | 33 | 34 | 200 | 96 | 39.7 | M22 | 95.5 | 71.4 | 14.7 |
| UCP305-ASAHI | 25 | 45 | 175 | 45 | 132 | 17 | 20 | 16 | 84 | 38 | 15 | M14 | 21.3 | 10.9 | 1.6 |
| UCP306-ASAHI | 30 | 50 | 180 | 50 | 140 | 19 | 94 | 43 | 17 | 26.8 | 15 | 1.9 | |||
| UCP307-ASAHI | 35 | 56 | 210 | 56 | 160 | 25 | 21 | 105 | 48 | 19 | 33.5 | 19.2 | 2.7 | ||
| UCP308-ASAHI | 40 | 60 | 220 | 60 | 170 | 27 | 23 | 116 | 52 | 19 | 40.5 | 23.9 | 3.12 | ||
| UCP309-ASAHI | 45 | 67 | 245 | 67 | 190 | 20 | 30 | 25 | 128 | 57 | 22 | M16 | 51.5 | 29.5 | 4.13 |
| UCP310-ASAHI | 50 | 75 | 275 | 75 | 212 | 35 | 28 | 143 | 61 | 61.5 | 38.2 | 5.68 | |||
| UCP311-ASAHI | 55 | 80 | 310 | 80 | 236 | 38 | 31 | 154 | 66 | 25 | 71.5 | 44.8 | 6.9 | ||
| UCP312-ASAHI | 60 | 85 | 330 | 85 | 250 | 25 | 33 | 165 | 71 | 26 | M20 | 81.5 | 52 | 8.87 | |
| UCP313-ASAHI | 65 | 90 | 340 | 90 | 260 | 36 | 174 | 75 | 30 | 92.5 | 59.7 | 9.8 | |||
| UCP314-ASAHI | 70 | 95 | 360 | 280 | 27 | 40 | 40 | 186 | 78 | 33 | M22 | 104 | 68 | 11.4 | |
| UCP315-ASAHI | 75 | 100 | 380 | 100 | 290 | 197 | 82 | 32 | 114 | 76.9 | 13.6 | ||||
| UCP316-ASAHI | 80 | 106 | 400 | 110 | 300 | 45 | 209 | 86 | 34 | 123 | 86.4 | 16.4 | |||
| UCP317-ASAHI | 85 | 112 | 420 | 320 | 33 | 45 | 221 | 96 | 40 | M27 | 132 | 96.5 | 18.6 | ||
| UCP318-ASAHI | 90 | 118 | 430 | 330 | 50 | 233 | 143 | 107.2 | 20.9 | ||||||
| UCP319-ASAHI | 95 | 125 | 470 | 120 | 360 | 36 | 50 | 250 | 103 | 41 | M30 | 153 | 118.4 | 26.5 | |
| UCP320-ASAHI | 100 | 140 | 490 | 380 | 55 | 275 | 108 | 42 | 173 | 140.4 | 34.3 | ||||
| UCP322-ASAHI | 110 | 150 | 520 | 140 | 400 | 40 | 55 | 60 | 295 | 117 | 46 | M33 | 205 | 178.8 | 42.5 |
| UCP324-ASAHI | 120 | 160 | 570 | 450 | 70 | 321 | 126 | 51 | 207 | 184.8 | 53.5 | ||||