计算选型
图片仅供参考,请以已选的规格为准
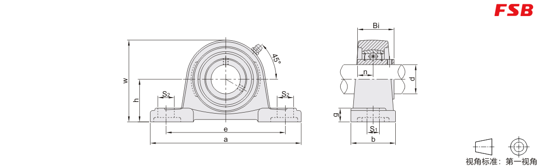
FSB(福山)带座轴承 铸造型 立式座外球面球轴承 螺钉锁紧
品牌名称:
FSB
条件筛选:
产品代码:
有 43 个备选型号
登录后可查看价格、加入购物车、一键购买
立即登录
计算选型
技术图档
全部型号
3D预览
产品简介
材质图
参数图
| 代码 | 类型 | 材质 | |
| 轴承座 | 轴承 | ||
| UCP...-FSB | 立式座外球面球轴承 | HT200灰铸铁 | GCr15 |

选型表
| 型号 | d |
h |
a |
e |
b |
S2 |
S1 | g |
w |
Bi |
n |
螺栓 |
紧定扭力 (N·m) |
额定负载(N) |
重量 (kg) |
||
| (mm) | (in.) | Cr(动) | Cor(静) | ||||||||||||||
| UCP201-FSB | 12 | — | 30.2 | 127 | 95 | 38 | 19 | 13 | 15 | 62 | 31 | 12.7 | M10 | 17 | 12800 | 6650 | 0.63 |
| UCP202-FSB | 15 | ||||||||||||||||
| UCP203-FSB | 17 | ||||||||||||||||
| UCP204-FSB | 20 | 33.3 | 65 | 0.65 | |||||||||||||
| UCP205-FSB | 25 | 36.5 | 140 | 105 | 16 | 16 | 70 | 34 | 14.3 | 14000 | 7880 | 0.79 | |||||
| UCP206-FSB | 30 | 42.9 | 165 | 121 | 48 | 21 | 17 | 18 | 83 | 38.1 | 15.9 | M14 | 47 | 19500 | 11200 | 1.3 | |
| UCP207-FSB | 35 | 47.6 | 167 | 127 | 19 | 94 | 42.9 | 17.5 | 25700 | 15200 | 1.6 | ||||||
| UCP208-FSB | 40 | 49.2 | 184 | 137 | 54 | 25 | 100 | 49.2 | 19 | 29600 | 18200 | 2.0 | |||||
| UCP209-FSB | 45 | 54 | 190 | 146 | 22 | 20 | 108 | 31850 | 20800 | 2.2 | |||||||
| UCP210-FSB | 50 | 57.2 | 206 | 159 | 60 | 25 | 20 | 22 | 114 | 51.6 | M16 | 73 | 35100 | 23200 | 2.8 | ||
| UCP211-FSB | 55 | 63.5 | 219 | 171 | 126 | 55.6 | 22 | 43300 | 29200 | 3.4 | |||||||
| UCP212-FSB | 60 | 69.8 | 241 | 184 | 70 | 25 | 138 | 65.1 | 25.4 | 47750 | 32900 | 4.8 | |||||
| UCP213-FSB | 65 | 76.2 | 265 | 203 | 29 | 25 | 27 | 150 | M20 | 145 | 57200 | 40000 | 5.7 | ||||
| UCP214-FSB | 70 | 79.4 | 266 | 210 | 72 | 31 | 156 | 74.6 | 30.2 | 60800 | 45000 | 7.0 | |||||
| UCP215-FSB | 75 | 82.6 | 275 | 217 | 74 | 28 | 163 | 77.8 | 33.3 | 66100 | 49400 | 7.6 | |||||
| UCP216-FSB | 80 | 88.9 | 292 | 232 | 78 | 30 | 175 | 82.6 | 71500 | 54000 | 9.0 | ||||||
| UCP217-FSB | 85 | 95.2 | 310 | 247 | 83 | 32 | 187 | 85.7 | 34.1 | 83200 | 63900 | 11.5 | |||||
| UCP218-FSB | 90 | 101.6 | 327 | 262 | 88 | 33 | 27 | 34 | 200 | 96 | 39.7 | M22 | 200 | 95900 | 71400 | 14.3 | |
| UCP305-FSB | 25 | 45 | 175 | 132 | 45 | 20 | 17 | 16 | 85 | 38 | 15 | M14 | 47 | 22300 | 11400 | 1.6 | |
| UCP306-FSB | 30 | 50 | 180 | 140 | 50 | 19 | 95 | 43 | 17 | 27000 | 15000 | 2.1 | |||||
| UCP307-FSB | 35 | 56 | 210 | 160 | 56 | 25 | 21 | 105 | 48 | 19 | 33000 | 19000 | 2.8 | ||||
| UCP308-FSB | 40 | 60 | 220 | 170 | 60 | 27 | 23 | 116 | 52 | 40500 | 24000 | 3.6 | |||||
| UCP309-FSB | 45 | 67 | 245 | 190 | 67 | 30 | 20 | 25 | 128 | 57 | 22 | M16 | 73 | 52800 | 31800 | 4.7 | |
| UCP310-FSB | 50 | 75 | 275 | 212 | 75 | 35 | 28 | 143 | 61 | 61800 | 37900 | 6.4 | |||||
| UCP311-FSB | 55 | 80 | 310 | 236 | 80 | 38 | 31 | 154 | 66 | 25 | 71500 | 44700 | 7.8 | ||||
| UCP312-FSB | 60 | 85 | 330 | 250 | 85 | 25 | 33 | 165 | 71 | 26 | M20 | 145 | 81700 | 51800 | 9.4 | ||
| UCP313-FSB | 65 | 90 | 340 | 260 | 90 | 36 | 174 | 75 | 30 | 93800 | 60000 | 10.3 | |||||
| UCP314-FSB | 70 | 95 | 360 | 280 | 40 | 27 | 40 | 186 | 78 | 33 | M22 | 200 | 104100 | 68000 | 11.9 | ||
| UCP315-FSB | 75 | 100 | 380 | 290 | 100 | 197 | 82 | 32 | 113400 | 77000 | 14.5 | ||||||
| UCP316-FSB | 80 | 106 | 400 | 300 | 110 | 45 | 209 | 86 | 34 | 122900 | 86500 | 17.1 | |||||
| UCP317-FSB | 85 | 112 | 420 | 320 | 45 | 33 | 221 | 96 | 40 | M27 | 372 | 132500 | 96500 | 19.2 | |||
| UCP318-FSB | 90 | 118 | 430 | 330 | 50 | 233 | 144050 | 108000 | 21.1 | ||||||||
| UCP319-FSB | 95 | 125 | 470 | 360 | 120 | 50 | 36 | 250 | 103 | 41 | M30 | 500 | 156600 | 122000 | 28.2 | ||
| UCP320-FSB | 100 | 140 | 490 | 380 | 55 | 275 | 108 | 42 | 173000 | 140000 | 34.8 | ||||||
| UCP322-FSB | 110 | 150 | 520 | 400 | 140 | 55 | 40 | 60 | 295 | 117 | 46 | M33 | 690 | 204900 | 178300 | 43.2 | |
| UCP324-FSB | 120 | 160 | 570 | 450 | 70 | 321 | 126 | 51 | 227500 | 207000 | 54 | ||||||
| UCP326-FSB | 130 | 180 | 600 | 480 | 80 | 354 | 135 | 54 | 253000 | 241000 | 72.1 | ||||||
| UCP328-FSB | 140 | 200 | 620 | 500 | 388 | 145 | 59 | 274500 | 270000 | 91.2 | |||||||
| UCP205-16-FSB | — | 1" | 36.5 | 140 | 105 | 38 | 16 | 13 | 16 | 70 | 34 | 14.3 | M10 | 17 | 14000 | 7880 | 0.8 |
| UCP206-19-FSB | 13/16" | 42.9 | 165 | 121 | 48 | 21 | 17 | 18 | 83 | 38.1 | 15.9 | M14 | 47 | 19500 | 11200 | 1.3 | |
| UCP207-20-FSB | 11/4" | 47.6 | 167 | 127 | 19 | 94 | 42.9 | 17.5 | 25700 | 15200 | 1.6 | ||||||
| UCP208-24-FSB | 11/2" | 49.2 | 184 | 137 | 54 | 25 | 100 | 49.2 | 19 | 29600 | 18200 | 2 | |||||
| UCP211-32-FSB | 2" | 63.5 | 219 | 171 | 60 | 20 | 22 | 126 | 55.6 | 22.2 | M16 | 73 | 43550 | 29200 | 3.4 | ||