计算选型
图片仅供参考,请以已选的规格为准
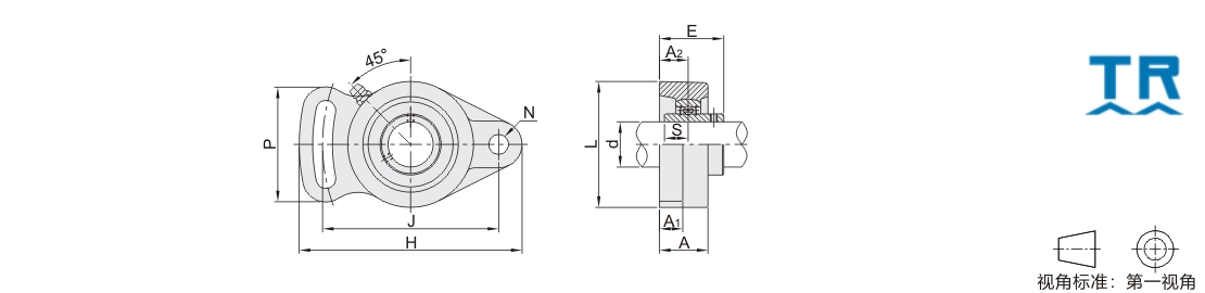
TR 带座轴承 铸造型 标准型 带可调菱形座外球面球轴承
品牌名称:
TR
条件筛选:
产品代码:
有 16 个备选型号
无数据
产品型号:
未税折扣单价: -- --
含税折扣单价: ----
含税总价 (税率13%): ¥--
预计发货天数:-- 天 (发货天数以下单次日起算,不含周日与法定假日)
购买数量():
起订量:0
, 加量幅度:0
登录后可查看价格、加入购物车、一键购买
立即登录
价格生成中...
登录后可查看价格、加入购物车、一键购买
立即登录
代码的技术资料信息曾有所变更,可前往 型号勘误表 查看变更记录
相似商品
同类人气商品
计算选型
技术图档
全部型号
3D预览
技术图档
产品简介
材质图
参数图
| 代码 | 类型 |
材质 |
||
| 轴承座 | 轴承 | |||
| UCFA...-TR | 带壳调菱形座外球面球轴承 | HT200灰铸铁 | GCr15 | |

选型表
| 型号 | d | H | J | L | P | A1 | A2 | A | N | E | S | 螺栓 | 紧定扭力 (N·m) |
额定负荷(N) | 重量 (Kg) |
|
| 动(Cr) | 静(Cor) | |||||||||||||||
| UCFA201S-TR | 12 | 95 | 75 | 57 | 47 | 9 | 13 | 22 | 10 | 28.9 | 11.5 | M8 | 6~10 | 9550 | 4780 | 0.36 |
| UCFA202S-TR | 15 | 0.35 | ||||||||||||||
| UCFA203S-TR | 17 | 0.34 | ||||||||||||||
| UCFA201-TR | 12 | 98 | 78 | 59 | 50 | 11 | 13.74 | 24 | 32.04 | 12.7 | 12800 | 6650 | 0.43 | |||
| UCFA202-TR | 15 | 0.41 | ||||||||||||||
| UCFA203-TR | 17 | 0.40 | ||||||||||||||
| UCFA204-TR | 20 | 0.38 | ||||||||||||||
| UCFA205-TR | 25 | 122 | 96 | 70 | 64 | 13 | 16 | 27 | 12 | 35.7 | 14.3 | M10 | 12~21 | 14000 | 7880 | 0.65 |
| UCFA206-TR | 30 | 141 | 115 | 80 | 68 | 14 | 18 | 30.5 | 40.2 | 15.9 | 19500 | 11200 | 0.96 | |||
| UCFA207-TR | 35 | 155 | 128 | 92 | 75 | 15 | 19 | 33 | 13 | 44.4 | 17.5 | M12 | 21~37 | 25700 | 15200 | 1.27 |
| UCFA208-TR | 40 | 171 | 144 | 105 | 84 | 14 | 21 | 38 | 51.2 | 19 | 29600 | 18200 | 1.80 | |||
| UCFA209-TR | 45 | 178 | 146 | 108 | 88 | 16 | 22 | 16 | 52.2 | M14 | 34~60 | 31850 | 20800 | 1.91 | ||
| UCFA210-TR | 50 | 188 | 155 | 114 | 92 | 39 | 54.6 | 35100 | 23200 | 2.09 | ||||||
| UCFA211-TR | 55 | 216 | 182 | 128 | 102 | 18 | 25 | 42.5 | 58.4 | 22.2 | 43550 | 29200 | 2.98 | |||
| UCFA212-TR | 60 | 238 | 202 | 140 | 122 | 19 | 29 | 47.5 | 18 | 68.7 | 25.4 | M16 | 53~93 | 47800 | 32800 | 4.14 |
| UCFA213-TR | 65 | 248 | 210 | 152 | 126 | 20 | 30 | 49 | 69.7 | 57200 | 40000 | 4.82 | ||||
产品简介
1. 添加筛选条件,生成产品型号
客服
购物车
小程序
怡合达商城小程序
随身商城一手掌握
公众号
微信公众号
订单/资讯随手掌握
微信技术交流服务群
扫码添加进群
浏览记录
问题反馈
置顶
Copyright © 2010-2026 东莞怡合达自动化股份有限公司 版权所有 粤ICP备14032684号
营业执照: 91441900566614589Q