计算选型
图片仅供参考,请以已选的规格为准
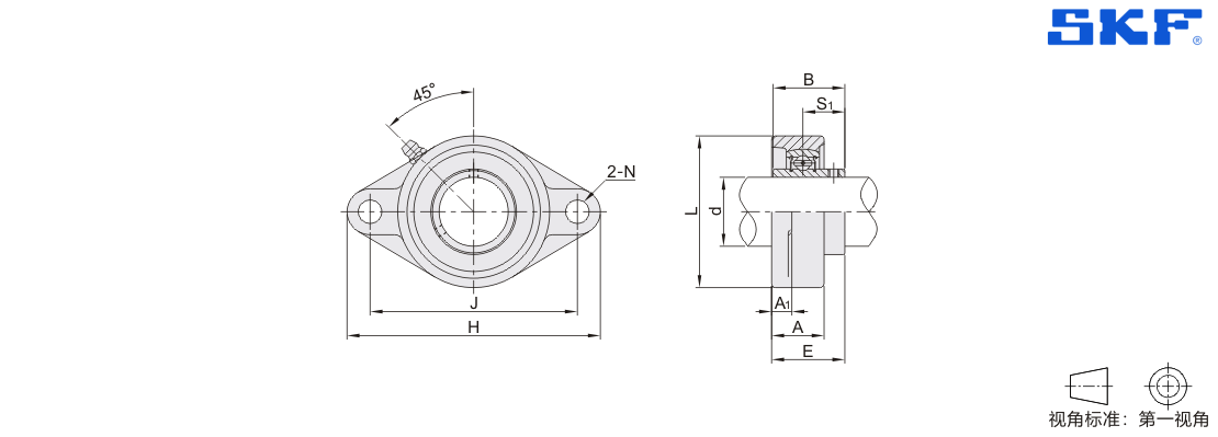
SKF 带座轴承 铸造型 标准型 菱形座外球面球轴承
品牌名称:
SKF
条件筛选:
产品代码:
有 15 个备选型号
无数据
产品型号:
未税折扣单价: -- --
含税折扣单价: ----
含税总价 (税率13%): ¥--
预计发货天数:-- 天 (发货天数以下单次日起算,不含周日与法定假日)
购买数量():
起订量:0
, 加量幅度:0
登录后可查看价格、加入购物车、一键购买
立即登录
价格生成中...
登录后可查看价格、加入购物车、一键购买
立即登录
代码的技术资料信息曾有所变更,可前往 型号勘误表 查看变更记录
相似商品
同类人气商品
计算选型
技术图档
全部型号
3D预览
技术图档
材质图
参数图
| 代码 | 类型 |
材质 | |
| 轴承座 | 轴承 | ||
| UCFL…-SKF | 菱形座外球面球轴承 | HT200灰铸铁 | GCr15 |

选型表
| 型号 | d |
H |
J |
L |
A1 | A |
B | N |
S1 | E |
螺栓 |
紧定扭力 (N·m) |
额定负载(KN) |
重量 (kg) |
|
| 动(Cr) | 静(Cor) | ||||||||||||||
| UCFL204-SKF | 20 | 113 | 90 | 60.3 | 11.1 | 25.5 | 31 | 12 | 18.3 | 33.3 | M10 | 17 | 12.7 | 6.7 | 0.44 |
| UCFL205-SKF | 25 | 130.2 | 99 | 68.3 | 12.7 | 27 | 34 | 16 | 19.7 | 35.7 | M14 | 47 | 14 | 7.8 | 0.62 |
| UCFL206-SKF | 30 | 147.6 | 117 | 80.2 | 30 | 38.1 | 22.2 | 40.2 | 19.5 | 11.4 | 0.9 | ||||
| UCFL207-SKF | 35 | 161.1 | 130 | 89.7 | 14.3 | 32 | 42.9 | 25.4 | 44.4 | 25.5 | 15.3 | 1.19 | |||
| UCFL208-SKF | 40 | 174.6 | 144 | 100 | 34 | 49.2 | 30.2 | 51.2 | 32.5 | 20 | 1.53 | ||||
| UCFL209-SKF | 45 | 188.1 | 148 | 108 | 15.1 | 35 | 19 | 52.2 | M16 | 73 | 20.4 | 1.84 | |||
| UCFL210-SKF | 50 | 196.9 | 157 | 115.1 | 39 | 51.6 | 32.6 | 54.6 | 35.1 | 23.2 | 2.17 | ||||
| UCFL211-SKF | 55 | 223.8 | 184 | 130.2 | 18.3 | 41.4 | 55.6 | 33.4 | 58.4 | 43.6 | 29 | 3.12 | |||
| UCFL212-SKF | 60 | 250 | 202 | 139.7 | 45 | 65.1 | 23 | 39.7 | 68.7 | M20 | 145 | 52.7 | 36 | 3.99 | |
| UCFL213-SKF | 65 | 258 | 210 | 154.8 | 19.8 | 47 | 69.7 | 57.2 | 40 | 4.93 | |||||
| UCFL214-SKF | 70 | 265.1 | 216 | 160.3 | 50 | 74.6 | 44.4 | 75.4 | 62.4 | 44 | 5.46 | ||||
| UCFL215-SKF | 75 | 275 | 225 | 164 | 20 | 54 | 77.8 | 44.5 | 78.5 | 66.3 | 49 | 5.99 | |||
| UCFL216-SKF | 80 | 290 | 233 | 180 | 56 | 82.6 | 25 | 49.3 | 83.3 | M22 | 200 | 71.5 | 54 | 7.52 | |
| UCFL217-SKF | 85 | 305 | 248 | 190 | 22 | 60 | 85.7 | 51.6 | 87.6 | 83.2 | 64 | 8.83 | |||
| UCFL218-SKF | 90 | 320 | 265 | 205 | 23 | 68 | 96 | 56.3 | 96.3 | 95.6 | 72 | 10.7 | |||
1. 添加筛选条件,生成产品型号
客服
购物车
小程序
怡合达商城小程序
随身商城一手掌握
公众号
微信公众号
订单/资讯随手掌握
微信技术交流服务群
扫码添加进群
浏览记录
问题反馈
置顶
Copyright © 2010-2026 东莞怡合达自动化股份有限公司 版权所有 粤ICP备14032684号
营业执照: 91441900566614589Q