计算选型
图片仅供参考,请以已选的规格为准
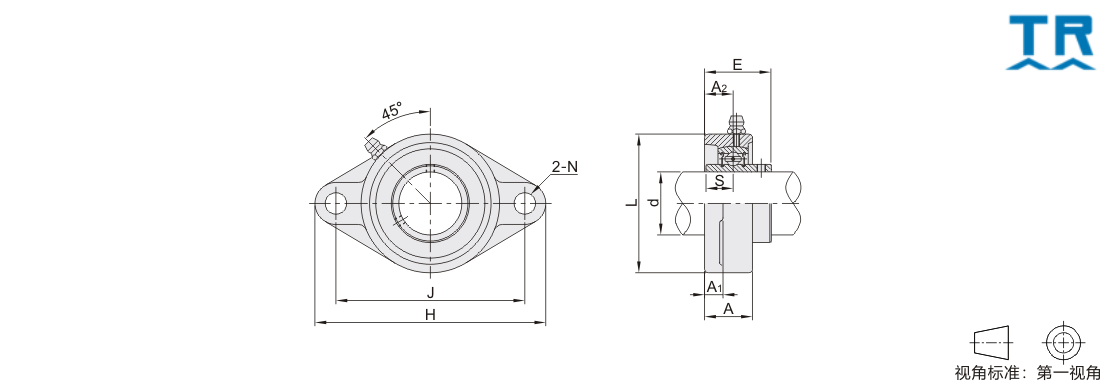
TR 带座轴承 铸造型 标准型 菱形座外球面球轴承 耐高温型
品牌名称:
TR
条件筛选:
参数筛选:
轴承座凹球面公差
无数据
产品代码:
有 12 个备选型号
无数据
产品型号:
未税折扣单价: -- --
含税折扣单价: ----
含税总价 (税率13%): ¥--
预计发货天数:-- 天 (发货天数以下单次日起算,不含周日与法定假日)
购买数量():
起订量:0
, 加量幅度:0
登录后可查看价格、加入购物车、一键购买
立即登录
价格生成中...
登录后可查看价格、加入购物车、一键购买
立即登录
代码的技术资料信息曾有所变更,可前往 型号勘误表 查看变更记录
相似商品
同类人气商品
计算选型
技术图档
全部型号
3D预览
技术图档
参数图
材质图
| 代码 | 类型 | 材质 | ||
| 轴承座 | 轴承 | |||
| UCFL…HT2-TR | 菱形座外球面球轴承 | 耐高温250℃ | HT200灰铸铁 | GCr15 |

选型表
| 型号 | d |
H |
J |
L |
A2 |
A1 |
A |
E |
N |
S |
螺栓 |
紧定扭力 (N·m) |
额定负载(N) |
重量 (Kg) |
|
| 动(Cr) | 静(Cor) | ||||||||||||||
| UCFL204HT2-TR* | 20 | 113 | 90 | 60 | 15 | 11 | 25.5 | 33.3 | 11.5 | 12.7 | M10 | 12~21 | 12800 | 6650 | 0.42 |
| UCFL205HT2-TR* | 25 | 130 | 99 | 68 | 16 | 13 | 27 | 35.7 | 14.3 | 14000 | 7880 | 0.61 | |||
| UCFL206HT2-TR* | 30 | 148 | 117 | 80 | 18 | 31 | 40.2 | 15.9 | 19500 | 11200 | 0.9 | ||||
| UCFL207HT2-TR* | 35 | 161 | 130 | 90 | 19 | 14 | 34 | 44.4 | 14 | 17.5 | M12 | 21~37 | 25700 | 15200 | 1.21 |
| UCFL208HT2-TR* | 40 | 175 | 144 | 100 | 21 | 36 | 51.2 | 19 | 29600 | 18200 | 1.55 | ||||
| UCFL209HT2-TR* | 45 | 188 | 148 | 108 | 22 | 16 | 38 | 52.2 | 18 | M16 | 53~93 | 31850 | 20800 | 1.87 | |
| UCFL210HT2-TR | 50 | 197 | 157 | 115 | 40 | 54.6 | 35100 | 23200 | 2.16 | ||||||
| UCFL211HT2-TR | 55 | 224 | 184 | 130 | 25 | 18 | 43 | 58.4 | 22.2 | 43550 | 29200 | 2.89 | |||
| UCFL212HT2-TR | 60 | 250 | 202 | 140 | 29 | 48 | 68.7 | 25.4 | 47800 | 32800 | 3.75 | ||||
| UCFL213HT2-TR | 65 | 258 | 210 | 155 | 30 | 20 | 50 | 69.7 | 23 | M20 | 105~190 | 57200 | 40000 | 4.68 | |
| UCFL216HT2-TR | 80 | 290 | 233 | 180 | 34 | 22 | 58 | 83.3 | 25 | 33.3 | M22 | 145~260 | 71500 | 54200 | 6.76 |
| UCFL218HT2-TR | 90 | 320 | 265 | 205 | 40 | 23 | 68 | 96.3 | 39.7 | 95900 | 71500 | 10.3 | |||
带*型号轴承座凹球面公差为间隙配合,其他型号为过渡配合。
1. 添加筛选条件,生成产品型号
客服
购物车
小程序
怡合达商城小程序
随身商城一手掌握
公众号
微信公众号
订单/资讯随手掌握
微信技术交流服务群
扫码添加进群
浏览记录
问题反馈
置顶
Copyright © 2010-2026 东莞怡合达自动化股份有限公司 版权所有 粤ICP备14032684号
营业执照: 91441900566614589Q