图片仅供参考,请以已选的规格为准
怡合达自营 经济型DF系列凸缘型分割器 轴间距45
品牌名称:
怡合达
条件筛选:
参数筛选:
定位等份
无数据
产品代码:
有 7 个备选型号
无数据
产品型号:
未税折扣单价: -- --
含税折扣单价: ----
含税总价 (税率13%): ¥--
预计发货天数:-- 天 (发货天数以下单次日起算,不含周日与法定假日)
购买数量():
起订量:0
, 加量幅度:0
登录后可查看价格、加入购物车、一键购买
立即登录
价格生成中...
登录后可查看价格、加入购物车、一键购买
立即登录
代码的技术资料信息曾有所变更,可前往 型号勘误表 查看变更记录
相似商品
同类人气商品
技术图档
全部型号
3D预览
技术图档
产品简介
材质图
参数图
| 代码 | 类型 | |
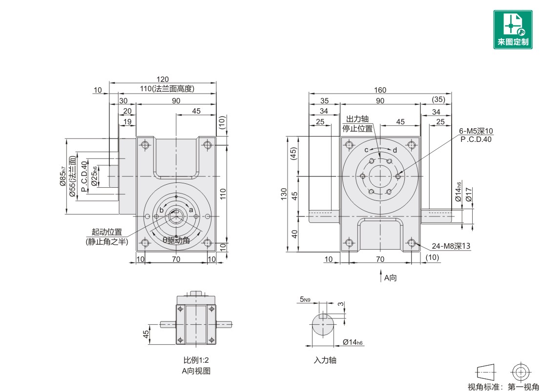
| RY45DF | DF系列凸缘型分割器 | 轴间距45 |
特点:
● 此机种具有重负荷特性,可承受较大之垂直径向,或轴向压力,其输出轴为面盘式设计,
有凸缘中心,盘面螺孔、定位、梢孔,固定面宽大,可使平面度及稳定性,更具坚实平稳。
最能适用于较大负荷之回转式圆盘驱动场合,此系列机种被广泛使用在各类盘式加工机械,
及类似机构之产业机械,自动化间歇驱动部,驱动圆盘。

选型表
| 型号 | 定位等份 | 驱动角度 (deg) |
入力轴 (mm) |
静扭力TS Kgf-m |
动扭力(Kgf-m) 分割回转速N(rpm) | 摩擦扭力TX Kgf-m |
|||||||||||||||||||||||||||||||||||||||
| 50 | 100 | 150 | 200 | 300 | 400 | 500 | 700 | ||||||||||||||||||||||||||||||||||||||
| RY45DF022702RS3W1 | 2 | 270 | 14 | 1.22 | 0.48 | 0.3 | 0.35 | 0.32 | 0.28 | 0.26 | 0.24 | — | 0.12 | ||||||||||||||||||||||||||||||||
| RY45DF032702RS3W1 | 3 | 3.10 | 1.23 | 1.00 | 0.88 | 0.81 | 0.72 | 0.66 | 0.61 | 0.56 | 0.12 | ||||||||||||||||||||||||||||||||||
| RY45DF042702RS3W1 | 4 | 1.75 | 0.71 | 0.57 | 0.51 | 0.47 | 0.41 | 0.38 | 0.35 | 0.32 | 0.10 | ||||||||||||||||||||||||||||||||||
| RY45DF062702RS3W1 | 6 | 3.90 | 1.52 | 1.24 | 1.10 | 1.01 | 0.89 | 0.82 | 0.76 | 0.69 | 0.10 | ||||||||||||||||||||||||||||||||||
| RY45DF082702RS3W1 | 8 | 2.62 | 1.09 | 1.88 | 0.78 | 0.72 | 0.63 | 0.58 | 0.54 | 0.49 | 0.08 | ||||||||||||||||||||||||||||||||||
| RY45DF102702RS3W1 | 10 | 1.50 | 0.56 | 0.45 | 0.34 | 0.30 | 0.26 | 0.20 | 0.17 | — | 0.06 | ||||||||||||||||||||||||||||||||||
| RY45DF122702RS3W1 | 12 | 1.55 | 1.58 | 0.49 | 0.40 | 0.35 | 0.29 | 0.25 | — | — | 0.06 | ||||||||||||||||||||||||||||||||||
可提供分割器带电机组合件,目录以外定位等份、驱动角度可定制,如果需要请线下询价。
产品简介
1. 添加筛选条件,生成产品型号
客服
购物车
公众号
微信公众号
订单/资讯随手掌握
微信技术交流服务群
扫码添加进群
浏览记录
问题反馈
置顶
Copyright © 2010-2026 东莞怡合达自动化股份有限公司 版权所有 粤ICP备14032684号
营业执照: 91441900566614589Q