计算选型
图片仅供参考,请以已选的规格为准
FSB(福山) 带座轴承 铸造型 标准型 带滑块座外球面球轴承
品牌名称:
FSB
条件筛选:
产品型号:
UCT212-FSB
未税折扣单价: --
含税折扣单价: --
含税总价 (税率13%): --
预计发货天数:-- 天 (发货天数以下单次日起算,不含周日与法定假日)
购买数量(PCS):
登录后可查看价格、加入购物车、一键购买
立即登录
计算选型
技术图档
全部型号
3D预览
产品简介
材质图
参数图
| 代码 | 类型 |
材质 | |
| 轴承座 | 轴承 | ||
| UCT...-FSB | 滑块座外球面球轴承 | HT200灰铸铁 | GCr15 |

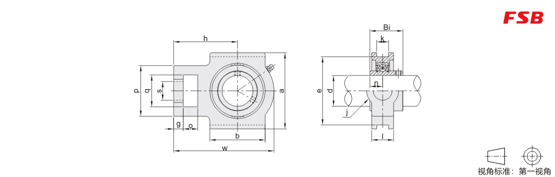
选型表
| 型号 |
d |
o |
g |
p |
q |
s |
b |
k |
e |
a |
w |
j |
l |
h |
Bi |
n |
额定负载(N) |
重量 (Kg) |
|
| Cr(动) | Cor(静) | ||||||||||||||||||
| UCT201-FSB | 12 | 16 | 10 | 51 | 32 | 19 | 51 | 12 | 76 | 89 | 94 | 32 | 21 | 61 | 31 | 12.7 | 12800 | 6650 | 0.79 |
| UCT202-FSB | 15 | 0.78 | |||||||||||||||||
| UCT203-FSB | 17 | 0.76 | |||||||||||||||||
| UCT204-FSB | 20 | 0.74 | |||||||||||||||||
| UCT205-FSB | 25 | 97 | 24 | 62 | 34 | 14.3 | 14000 | 7880 | 0.83 | ||||||||||
| UCT206-FSB | 30 | 56 | 37 | 22 | 57 | 89 | 102 | 113 | 37 | 28 | 70 | 38.1 | 15.9 | 19500 | 11200 | 1.3 | |||
| UCT207-FSB | 35 | 13 | 64 | 64 | 129 | 30 | 78 | 42.9 | 17.5 | 25700 | 15200 | 1.6 | |||||||
| UCT208-FSB | 40 | 19 | 16 | 83 | 49 | 29 | 83 | 16 | 102 | 114 | 144 | 49 | 33 | 88 | 49.2 | 19 | 29600 | 18200 | 2.4 |
| UCT209-FSB | 45 | 117 | 35 | 87 | 31850 | 20800 | 2.4 | ||||||||||||
| UCT210-FSB | 50 | 86 | 149 | 37 | 90 | 51.6 | 35100 | 23200 | 2.5 | ||||||||||
| UCT211-FSB | 55 | 25 | 19 | 102 | 64 | 35 | 95 | 22 | 130 | 146 | 171 | 64 | 38 | 106 | 55.6 | 22.2 | 43300 | 29200 | 4 |
| UCT212-FSB | 60 | 32 | 102 | 194 | 42 | 119 | 65.1 | 25.4 | 47750 | 32900 | 5 | ||||||||
| UCT213-FSB | 65 | 21 | 111 | 70 | 41 | 121 | 26 | 151 | 167 | 224 | 70 | 44 | 137 | 57200 | 40000 | 6.9 | |||
| UCT214-FSB | 70 | 46 | 74.6 | 30.2 | 60800 | 45000 | 7 | ||||||||||||
| UCT215-FSB | 75 | 232 | 48 | 140 | 77.8 | 33.3 | 66100 | 49400 | 7.4 | ||||||||||
| UCT216-FSB | 80 | 165 | 184 | 235 | 51 | 82.6 | 71500 | 54000 | 8.3 | ||||||||||
| UCT217-FSB | 85 | 38 | 29 | 124 | 73 | 48 | 157 | 30 | 173 | 198 | 260 | 73 | 54 | 162 | 85.7 | 34.1 | 83200 | 63900 | 11.1 |
| UCT218-FSB | 90 | 40 | 40 | 130 | 80 | 140 | 190 | 215 | 275 | 80 | 55 | 170 | 96 | 39.7 | 95900 | 71400 | 12.2 | ||
| UCT305-FSB | 25 | 16 | 12 | 62 | 36 | 26 | 65 | 12 | 80 | 89 | 122 | 36 | 26 | 76 | 38 | 15 | 22300 | 11400 | 1.4 |
| UCT306-FSB | 30 | 18 | 14 | 70 | 41 | 28 | 74 | 16 | 90 | 100 | 137 | 41 | 28 | 85 | 43 | 17 | 27000 | 15000 | 1.8 |
| UCT307-FSB | 35 | 20 | 15 | 75 | 45 | 30 | 80 | 100 | 111 | 150 | 45 | 32 | 94 | 48 | 19 | 33000 | 19000 | 2.3 | |
| UCT308-FSB | 40 | 22 | 17 | 83 | 50 | 32 | 89 | 18 | 112 | 124 | 162 | 50 | 34 | 100 | 52 | 40500 | 24000 | 3 | |
| UCT309-FSB | 45 | 24 | 18 | 90 | 55 | 34 | 97 | 125 | 138 | 178 | 55 | 38 | 110 | 57 | 22 | 52800 | 31800 | 4.1 | |
| UCT310-FSB | 50 | 27 | 20 | 98 | 61 | 37 | 106 | 20 | 140 | 151 | 191 | 61 | 40 | 117 | 61 | 61800 | 37900 | 4.9 | |
| UCT311-FSB | 55 | 29 | 21 | 105 | 66 | 39 | 115 | 22 | 150 | 163 | 207 | 66 | 44 | 127 | 66 | 25 | 71500 | 44700 | 6.1 |
| UCT312-FSB | 60 | 31 | 23 | 113 | 71 | 41 | 123 | 160 | 178 | 220 | 71 | 46 | 135 | 71 | 26 | 81700 | 51800 | 7.6 | |
| UCT313-FSB | 65 | 32 | 25 | 116 | 70 | 43 | 134 | 26 | 170 | 190 | 238 | 80 | 50 | 146 | 75 | 30 | 93800 | 60000 | 9.3 |
| UCT314-FSB | 70 | 36 | 130 | 85 | 46 | 140 | 180 | 202 | 252 | 90 | 52 | 155 | 78 | 33 | 104100 | 68000 | 11.1 | ||
| UCT315-FSB | 75 | 132 | 150 | 192 | 216 | 262 | 55 | 160 | 82 | 32 | 113400 | 77000 | 13 | ||||||
| UCT316-FSB | 80 | 42 | 28 | 150 | 98 | 53 | 160 | 30 | 204 | 230 | 282 | 102 | 60 | 174 | 86 | 34 | 122900 | 86500 | 16.2 |
| UCT317-FSB | 85 | 30 | 152 | 170 | 32 | 214 | 240 | 298 | 64 | 183 | 96 | 40 | 132500 | 96500 | 19 | ||||
| UCT318-FSB | 90 | 46 | 160 | 106 | 57 | 175 | 228 | 255 | 312 | 110 | 66 | 192 | 144050 | 108000 | 21.6 | ||||
| UCT319-FSB | 95 | 31 | 165 | 180 | 35 | 240 | 270 | 322 | 72 | 197 | 103 | 41 | 156600 | 122000 | 24.9 | ||||
| UCT320-FSB | 100 | 48 | 32 | 175 | 115 | 59 | 200 | 260 | 290 | 345 | 120 | 75 | 210 | 108 | 42 | 173000 | 140000 | 30.7 | |
| UCT322-FSB | 110 | 52 | 38 | 185 | 125 | 65 | 215 | 38 | 285 | 320 | 385 | 130 | 80 | 235 | 117 | 46 | 204900 | 178300 | 39.7 |
| UCT324-FSB | 120 | 60 | 42 | 210 | 140 | 70 | 230 | 45 | 320 | 355 | 432 | 140 | 90 | 267 | 126 | 51 | 227500 | 207000 | 54.4 |
| UCT326-FSB | 130 | 65 | 45 | 220 | 150 | 75 | 240 | 50 | 350 | 385 | 465 | 150 | 100 | 285 | 135 | 54 | 253000 | 241000 | 69.3 |
| UCT328-FSB | 140 | 70 | 50 | 230 | 160 | 80 | 255 | 380 | 415 | 515 | 155 | 315 | 145 | 59 | 274500 | 270000 | 85.1 | ||