计算选型
图片仅供参考,请以已选的规格为准
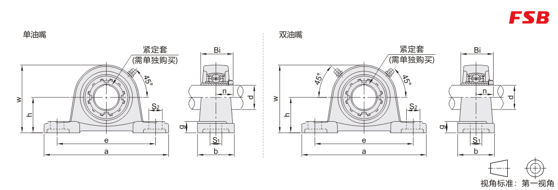
FSB(福山) 带座轴承 铸造型 标准型 立式座外球面球轴承 紧定套锁紧型
品牌名称:
FSB
条件筛选:
产品代码:
无数据
产品型号:
UKP208-FSB
未税折扣单价: -- --
含税折扣单价: ----
含税总价 (税率13%): ¥--
预计发货天数:-- 天 (发货天数以下单次日起算,不含周日与法定假日)
购买数量(PCS):
起订量:1PCS
, 加量幅度:1PCS
登录后可查看价格、加入购物车、一键购买
立即登录
价格生成中...
登录后可查看价格、加入购物车、一键购买
立即登录
代码UKP208-FSB的技术资料信息曾有所变更,可前往 型号勘误表 查看变更记录
相似商品
同类人气商品
计算选型
技术图档
全部型号
3D预览
技术图档
产品简介
材质图
参数图
| 代码 | 类型 |
材质 | ||
| 轴承座 | 轴承 | |||
| UKP...-FSB | 立式座外球面球轴承 | 紧定套锁紧 | HT200灰铸铁 | GCr15 |

选型表
| 型号 | d | h | a | e | b | S2 | S1 | g | w | Bi | n | 螺栓 | 紧定扭力 (N·m) |
额定负载(N) | 重量 (Kg) |
适配紧定套 型号 |
|
| Cr(动) | Cor(静) | ||||||||||||||||
| UKP205-FSB | 20 | 36.5 | 140 | 105 | 38 | 16 | 13 | 16 | 70 | 35 | 19.5 | M10 | 17 | 14000 | 7880 | 0.83 | BDB90-2305 |
| *UKP206-FSB | 25 | 42.9 | 165 | 121 | 48 | 21 | 17 | 18 | 83 | 38 | 21 | M14 | 47 | 19500 | 11200 | 1.3 | BDB90-2306 |
| *UKP207-FSB | 30 | 47.6 | 167 | 127 | 19 | 94 | 43 | 22.5 | 25700 | 15200 | 1.5 | BDB90-2307 | |||||
| UKP208-FSB | 35 | 49.2 | 184 | 137 | 54 | 25 | 100 | 46 | 24.5 | 29600 | 18200 | 2.0 | BDB90-2308 | ||||
| *UKP209-FSB | 40 | 54 | 190 | 146 | 22 | 20 | 108 | 50 | 26 | 31850 | 20800 | 2.3 | BDB90-2309 | ||||
| UKP210-FSB | 45 | 57.2 | 206 | 159 | 60 | 25 | 20 | 22 | 114 | 55 | 27.5 | M16 | 73 | 35100 | 23200 | 3.0 | BDB90-2310 |
| *UKP211-FSB | 50 | 63.5 | 219 | 171 | 126 | 59 | 28.5 | 43500 | 29200 | 3.5 | BDB90-2311 | ||||||
| UKP212-FSB | 55 | 69.8 | 241 | 184 | 70 | 25 | 138 | 62 | 31 | 47800 | 32800 | 4.7 | BDB90-2312 | ||||
| UKP213-FSB | 60 | 76.2 | 265 | 203 | 29 | 25 | 27 | 150 | 65 | 33 | M20 | 145 | 57200 | 40000 | 5.9 | BDB90-2313 | |
| UKP215-FSB | 65 | 82.6 | 275 | 217 | 74 | 31 | 28 | 163 | 73 | 35.5 | 66000 | 49500 | 7.6 | BDB90-2315 | |||
| UKP216-FSB | 70 | 88.9 | 292 | 232 | 78 | 30 | 175 | 78 | 39 | 71500 | 54200 | 9.2 | BDB90-2316 | ||||
| UKP217-FSB | 75 | 95.2 | 310 | 247 | 83 | 32 | 187 | 82 | 41 | 83200 | 63800 | 11.2 | BDB90-2317 | ||||
| UKP218-FSB | 80 | 101.6 | 327 | 262 | 88 | 33 | 27 | 34 | 200 | 86 | 42 | M22 | 200 | 95900 | 71500 | 13.1 | BDB90-2318 |
带“*”的型号为双油嘴。
此轴承座需配合紧定套使用,紧定套要单独购买,规格型号详情请在怡合达网站搜索查看。
产品简介
请先筛选参数,生成产品型号
客服
购物车
公众号
微信公众号
订单/资讯随手掌握
微信技术交流服务群
扫码添加进群
浏览记录
问题反馈
置顶
Copyright © 2010-2026 东莞怡合达自动化股份有限公司 版权所有 粤ICP备14032684号
营业执照: 91441900566614589Q